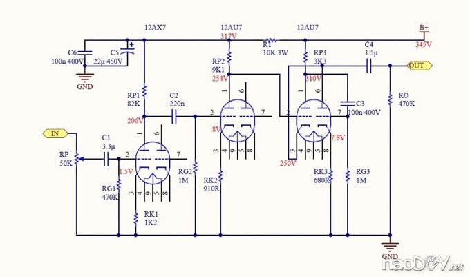
好久不来论坛了,倒不是没乐趣,首要是顿时大四就结业了,各类参差不齐的工作忙不外来,抽闲给伴侣做了一台基于和田茂线路构架的电子管耳放,线路图(图上各点电压值均为实测)如下,稍晚上传变动后的PCB国界,压缩包内是PDF名目标电路图
电子管耳放线路图.rar (53.03 KB)
上几张真机图片,不要问我尚有没有PCB,都送人了。手工一样平常列位拼凑看看吧,这个照旧有点尝试版的意思,今朝正在优化。
线路板是A级FR4板材,2mm加厚,2oz铜箔,镀金的,做工还不错,就是价值高了点,假如没有这些工艺那么也就是十几块一个,可是加上了就差不多50了
元器件一样平常般,不外开孔和位置留的都较量富饶,插一些发热件没题目
电子管用的JJ和EH,不得不说,EH的声音有点硬,胆味不敷
上面谁人是做的一个单端样品,现适用的是一个均衡版的,电源搭棚做的,CLC滤波
![]() 用的论坛的机箱,就是谁人尺度版的前级机箱,耳机口安顿在后头
小打小闹尚有许多不完美的处所,但愿列位多提名贵意见。 (责任编辑:admin) |




























