|
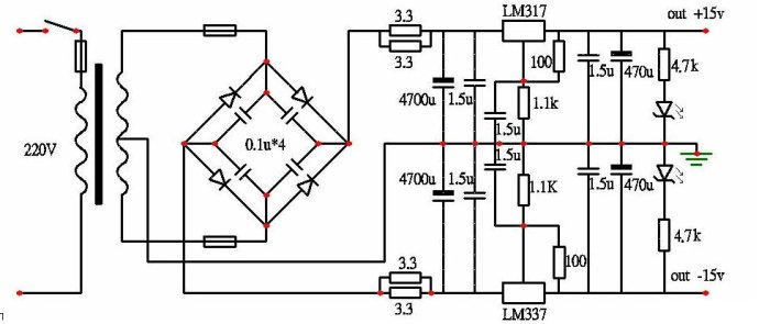
今天为大家带来的是一位技术牛人自制的洞洞板莱曼耳放,虽然原理不是很难,但是在后期的调试上还是要花很多的功夫,大家可以根据自己的情况来自行斟酌, 如何打造属于自己的个性的洞洞板莱曼耳放 下面开始: 电源部份并了几个红威马,可以在听同一首歌,特别是人声听高频部份,特别注意声音的厚度,柔软情度,齿音的大小等情况下决定要不要加这几个红威马,我个人建议不要并这些小电容。就算要并也要多对比几种不同品牌和材料的0.1U小电容。 还有输入的耦合电容也用了红威马,这个电容火气很大。比较干,燥,硬声。大家可以试试在这里用好的电解或其它材质的电容。 其实我比较喜欢苏伦的声音,电源部分都是1UF的,0.1UF小电容并上声音太干,这几个大电容容量是大了点,曾经用了3300UF的,觉得中频单薄,就用现在这样了,说实话,现在的声音我不是太满意,最近准备重新打磨。
|





























