| 常玩音響DIY的人,大概都會遇到一個問題,就是在夜深人靜的時候,把正在欣賞的音樂音量轉小一點,但常會發生左、右聲道音量不平均的現象,一邊大、一邊小。原因是因為音量VR使用的雙連VR,由於塗佈不平均,兩層的組值在轉動時無法完全同步,所以會有人以級進式VR來取代一般的VR但另一個問題又來了,就是由於級進式VR是以波段開關來切換電阻的位置,由於段數通常不多,所以想要轉小聲時有時會有不夠小聲的問題。 所以有人以數個繼電器及電阻串聯排列的特性來組成多階數的音量衰減器,早先前前在網路上已有人發表『64.STEP Shunt Attenuator 64段音量衰減器』參考位址: http://www.keces.com.tw/3_audio/K0709001/K0709001.htm 剛好站上的網友本著DIY的精神,已自行DIY了一個,拿來給我參考,運作真的有趣,只有6個繼電器,就可做到64階,也就是2的6次方(階),效果還真不錯,左右聲道完全平衡。 但我總覺得還是達不到我要的小音量,本來想直接使用原來的電路把階數增加到7個BIT(128階),但在原文中也提到他為何只設計64階的原因,是因為當段數分得太細密時,就容易造成 RELAY 動作比較靈敏,調整 ADC 輸入電壓的 VR 轉一點點,RELAY 就不停的飛舞,而且有時由於拿來當音量輸入的VR輸出的電壓,處於ADC(類比轉數位)的階段臨界點時,會有不動VR時也會有階段的變化的情形。所以我放棄了原來的想法。 我重新思考,使用有內建ADC功能的單晶片來設計,一樣使用單連VR來控制音量,設計為7個BIT的輸出控制,可以達到128階,可以更細分音量的階層,繼電器我選用更小型的繼電器(原先站友做的總覺得有點大聲)。但使用了單晶片後並不能避免剛說過那臨界漂移的問題,這時就要以程式來改善了,程式方面我是不太行的,還是請Charles協助選寫,跟他商量過,當單晶的類比輸入接收VR所送來的電壓後,把電壓狀況送至繼電器後,要記憶VR的位置,設定一個範圍做為可能的漂移範圍,當檢測VR的變動值超過這個範圍,才確認改變VR位置,然後再驅動繼電器變換位置,這樣就可以把那漂移的誤動作減到最低。 程式的運作我們並不會再詳細的說明,但這次的DIY我們會把原始碼及燒錄碼公佈,站友們可以自行分析或燒錄單晶片。 以下是完成品的照片:  DIY注意事項: 1. 由於是雙面板,手洗電路板時,要仔細的對好孔位,在焊接時也要注意上下板面貫孔的連接,要用心點,一個一個點焊,上面貫孔的焊接我是利用細銅線(從一般的多心導線上拆下來的,比OK線細),先穿過孔位再焊接,如果那孔位有電容、插座等無法雙面焊的零件,也是要用這樣的導線先穿過,在正面的找孔位旁的銅箔來焊,可別還沒插零件就把孔位給堵住了,如果那孔位是電阻、開關、二極體等..,那就雙面焊就可以了。如果是廠製板,那當然就沒有貫孔的問題了。 2. Shunt音量控制器電路板取代音量VR的配線:  註:左邊那組隔離線的地線只接一端,不是沒畫好,是我習慣的接法,原因只是不讓地廻圏形成 
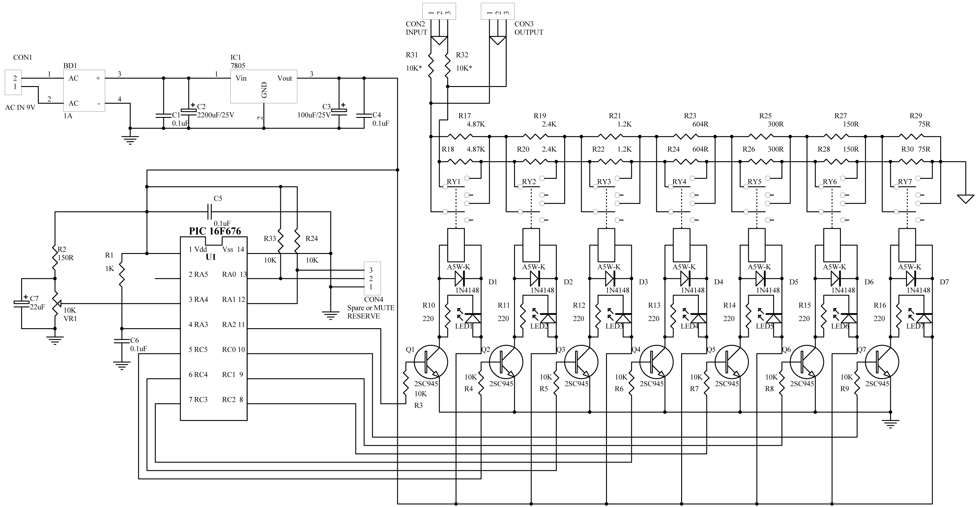
 電路圖如下:  (在上圖上按滑鼠右鍵另存新檔可獲大圖) 以下是電路板的零件配置圖:  以下是電路板的上下層LAYOUT圖:  要下載LAYOUT底片圖的PDF圖型檔-->KITs\128Step_Shunt-VOL\DIGIVOL2F-BL.pdf (责任编辑:admin) | 

















