【DIY】一台简洁、高品质分立元件暖声前级
时间:2012-09-28 16:27来源:hifidiy.net论坛 作者:wj_88 点击:
次
很久以来,我使用前级都是以运放为主; 听过了很多类型的运放,感觉运放制作前级是个很好的东西,非常简洁、性能好,但是在听感方面稍有逊色! 准备中的这台前级准备采用全分立元件。目前尚处于构思中,包括线路图、元件等都有待寻找、改进。 这个前级的基本

很久以来,我使用前级都是以运放为主;
听过了很多类型的运放,感觉运放制作前级是个很好的东西,非常简洁、性能好,但是在听感方面稍有逊色!
准备中的这台前级准备采用全分立元件。 目前尚处于构思中,包括线路图、元件等都有待寻找、改进。
这个前级的基本要求:暖声、柔和、耐听、有力。
制作这台前级,准备分为3个阶段:
第1阶段: 线路寻求、改进,参数的基本确定。
第2阶段: 单声道小印板的制作,制作大约几十张,全部送出,与愿意当白老鼠的网友一起试验。
包括各种测试:噪音、失真、AP测试,还有最重要的实际听音。
第3阶段: 整机板的制作,装整机。
这个阶段主要绘制大印板,整机就一张印板
我对这台前级的要求:
1、放大5倍左右即可。
2、整机前级不要音源选择,减少干扰和制作成本,机内采用高级音频线直焊。
3、采用场效应管做输入,提升动态及噪音水平。
4、输入采用孪生场管最好(如NPD系列、K389),减少配对麻烦,方便DIY。
5、整机前级做成双--单声道,这点DIY最容易做到,要求越高,越显重要。
6、左---右声道独立供电,采用2只环变或者1只环变4绕组。
7、左---右声道独立地线,彻底解决通道隔离度的指标。
8、优质机械电位器(原装ALPS27型及以上)作音量控制,电子音量免谈。
9、线路简洁、方便制作。
10、线路最好是非对称线路。
11、线路一般3级。
12、输出不采用中功率管,减少相移。
13、偏暖声,柔和、动态、与力度兼得。
14、电源简洁,15伏电压供电,优质正品LM317/337即可。
15、在保证信噪比的前提,线路的各级均有较大的静态电流。
16、设计开机延时、关机瞬断的输出继电器
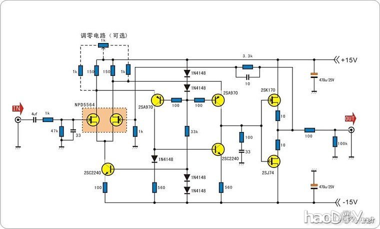
关于这个HDAM元件的选择:
1、输入差分准备选NPD5564(金封和塑封的兼容)。
2、输入级恒流源准备采用C2240。
3、第二级准备采用A970/C2240。
4、输出级采用原图的K170/J74。
5、二极管均采用1N4148。
这个HDAM元件参数的选择:
1、三级线路的参数不变,电压直接上到正负15伏。
2、输入设一只CBB电容位置。
3、输入电阻为47k,并且并联33P电容作为低通滤波。
4、反馈网络电阻为1k、4k7 放大倍数近6倍。
5、不设反馈电容。
6、不设输出电容,一般后级都有输入电容。
7、可以在输入级设计一调零电位器。
单声道的板板,实际开板时,会将双声道做在一块板上,有空间再加上电位器,但还是双单声道的。
双---单声道转换成双声道容易,可考虑增加跳线解决。

将2个声道放在一块。

电路放大倍数为4.7+1=5.7倍。
板子已到,可惜被厂家分开成单声道!

上一张板子图,要的是简洁。

准备开工,目前环变还没有回来!

花了1小时就装好的HDAM:

我的试验小桌-------希望不久的将来会是一套试验室:
前面的板子分别是:
1、UPC1237H独立电源喇叭保护。
2、LM317/LM337前级电源板。
3、HDAM板
4、ALPS电位器板。
使用的功放为LME49830TB 推2对K1058/J162。
因为供电设备多,变压器使用了2只。
CD机是马兰士CD-72。
音箱低音单元为:SCAN-SPERKER 8545K。
高音单元为:丹拿D260。

10KHz 方波: 输入峰--峰500mV,注意观察示波器的左上角前级的输出电平。

50KHz 方波: 输入峰--峰500mV,注意观察示波器的左上角前级的输出电平。

100KHz 方波: 输入峰--峰500mV,注意观察示波器的左上角前级的输出电平。

500KHz 方波: 输入峰--峰500mV,注意观察示波器的左上角前级的输出电平。

1MHz 方波: 输入峰--峰500mV,注意观察示波器的左上角前级的输出电平。

电路图:

这个前级还是有点特点的。
除了网友一致认可的松、软、暖声外。
我自己试听觉得低频下潜深,有力。 我试听的是SCAN7寸单元。
上张玉照:
因为我要调试对比,经常换板子听,所以全部焊上了接线柱。
在实际装机中建议大家不要使用接线柱,直接焊接各个部分。
以前的有源伺服使用LM7815、LM7915,个人感觉其稳压精度不高,一般偏差15v左右不少。而且78/79电源抑制比317/337
低20Db左右,性能低了不少。
现在准备画一款使用LM317/LM337的有源伺服,电源定在正负15v,精度要高,采用高速运放伺服。
在网上搜了一下,现成的线路。
该电路还是非常简单,仅比传统线路多了9个元件。
为了控制输出电压精度,缩小可调电位器的可调范围:14.5v-15.5v。

(责任编辑:admin) |
织梦二维码生成器
------分隔线----------------------------