| Performance is almost identical to the original P37 published way back in 1999. 性能是几乎相同的原始P37早在1999年出版。The primary difference is that the new design can be used without any output capacitors, although I recommend that they be used anyway. 主要的区别在于新设计可以在不用任何输出电容,虽然我建议他们无论如何被使用。Having any DC - even a few millivolts - across the volume pot will cause noise when the pot is rotated, and the caps ensure that this is eliminated. 有任何DC -甚至几毫伏——整个体积罐会导致噪音当锅旋转,帽确保这是消除。The main output coupling cap should be a bipolar (non-polarised) electrolytic, and the optional film bypass cap can be included if it makes you feel better (it won't affect frequency response though).主要的输出耦合帽应该是一个双极(非极端)电解,和可选的电影旁路帽可以包括如果能让你感觉更好的(它不会影响频率响应虽然)。 Description描述
 
	The circuit for the left channel of the preamplifier module is shown in Figure 1, and as can be seen is very simple. 这个电路用于左声道的前置放大器模块如图1,可以看到非常简单。The PCB is recommended, as it makes construction very straightforward. PCB是推荐的,因为它使建筑非常简单。This preamp relies on a completely hum free power supply, as it is not an integrated opamp, and cannot reject supply noise as well. 这个前置放大器依赖于一个完全哼免费供电,因为它不是一个集成opamp,也不能拒绝供应噪声。This is not to say that the power supply rejection is especially bad, just that it is not as good as an opamp.这并不是说供电抑制尤为糟糕,��是说,它不是一个opamp一样好。 
	 Figure 1 - Gain Module图1 -增益模块
 
	Q2 and Q4 form a current source providing a bias current of about 7mA. Q2和第四季形成电流源提供一个偏置电流约7马。This stage is not an amplifier, but an active (and very linear) load, allowing the amplifying transistor Q3 to provide a high gain with excellent linearity. 这个阶段不是一个放大器,但是一个活跃的(和非常线性)负载,允许放大晶体管Q3提供高增益和线性度好。Feedback is applied through R6, with R5 setting the AC feedback ratio and thus the voltage gain of the amp. The transistors Q2 and Q3 operate at about 100mW and will get slightly warm in operation.反馈是应用通过R6,R5设置交流反馈系数和因此电压增益的amp。晶体管第二和第三季度约100兆瓦,操作会稍微温暖的操作。 
	The trimpot VR1 is used to set the voltage at the collectors of Q2 and Q3 to as close to zero volts as possible - this is easily measured at either end of R10. 这个trimpot VR1用来设定电压在收集器的第二和第三季度为尽可能接近零伏特——这是容易衡量在两端R10。Each amplifier has its own independent adjustment. 每个放大器有它自己的独立的调整。The bias current for each preamp module is bypassed to ground using C2 to help eliminate noise. 为每个前置放大器的偏置电流模块是绕过地面使用C2帮助消除噪声。If you really don't want to use a multi-turn pot, there is provision on the PCB for a conventional horizontal mounting single-turn trimmer. 如果你真的不想使用多罐,有提供PCB上的传统卧式安装单匝微调。This will make setting the 0V level more critical, but if the output caps are retained a small DC offset is not a problem. 这将使设置0 v水平更重要,但如果输出帽是保留一个很小的直流偏移不是一个问题。When the pot is adjusted for 0V at the collector of Q3, there will typically be around 4.7V across C2.当锅调整为0 v在第三季度的收藏家,通常约为4.7 v在C2。 
	The distortion of the preamp is reasonably consistent with both output level and frequency, and is typically less than 0.01%. 前置放大器的变形是相当一致的两个输出级和频率,和通常不到0.01%。I measured about 0.0075% - this is just above the residual of my signal generator (0.006%), so it is presumably much better than this, but I can't measure it. 我量大约0.0075%——这是略高于剩余的信号发生器(0.006%),所以它大概是比这做得更好,但我不能测量它。A rough guess would be the difference between the two, giving 0.0015%, but I prefer to err on the side of caution. 粗略估计将两者的区别,给0.0015%,但我更喜欢宁可失之谨慎。Noise is also extremely difficult to measure - there simply isn't enough of it to obtain an accurate reading with my equipment.噪音也很难衡量——因为根本没有足够获得一个精确的阅读与我的设备。 
	Frequency response is flat to within -0.1dB from 10Hz to 100kHz, and even at 100kHz, square wave performance is almost perfect, showing slight rounding and no ringing or instability of any kind. 频率响应是平的,在-0.1 db从10赫兹到100赫兹,甚至在100 khz,方波性能几乎是完美的,显示出轻��的圆,没有任何形式的铃声或不稳定。Measured output impedance is 200 Ohms, and the circuit can drive 6 Volts RMS into a 3k Ohm load easily. 测量输出阻抗是200欧姆,电路可以驱动6伏RMS到3 k欧姆负载很容易。These are excellent figures, considering the simplicity of the circuit. 这些都是出色的人物,考虑简单的电路。The gain is nominally 3.2 (10dB) as shown, and is easily changed by varying R5 - increase the value to decrease gain and vice versa. 名义上的获得是3.2(10分贝)如图所示,可以容易地改变通过改变——将该值增加到R5减少增益,反之亦然。The PCB is 75 x 50mm, and has two complete amplifiers on the board.在PCB是75 x 50毫米,有两个完整的放大器在黑板上。 
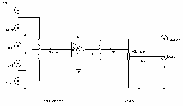
	As many preamp modules as needed may be used. 根据需要尽可能多的前置放大器模块可以使用。For example, you may use one module before the volume control, and another after it to provide some additional gain and present a low impedance to the outside world. 例如,您可以使用一个模块在音量控制,另一个在它提供一些额外的增益和现在的一个低阻抗到外面的世界。In many cases, the module will provide the only gain stage, and may be bypassed for high level signals (such as CD players) that have enough signal to drive the power amp directly. 在许多情况下,模块将提供唯一的增益阶段,并可能绕过针对高水平的信号(如CD播放器),有足够的信号驱动功率放大器直接。This is a great advantage for those who want the minimum number of components in line with the signal. 这是一个很大的优势对那些想要最低数量的组件符合信号。The circuit cannot be direct coupled, however, since it has an inherent DC offset at the input. 这个电路不能直接耦合,然而,因为它有一个内在的直流偏移的输入。Polyester (or polypropylene if you must) caps can be used at the inputs, but for low impedance outputs, a bipolar electrolytic capacitors is recommended. 聚酯(或聚丙烯如果你必须)帽可以用于在输入,但是对于低阻抗输出、双相电解电容器是推荐的。These may be bypassed with 100nF polyester caps, but the frequency response is not altered to any significant degree (not measurable at 100kHz), and there is no measurable decrease in distortion with the bypass caps.这些可能是绕过100 nf聚酯帽,但频率响应是不改变任何重要度(没有可测量的100千赫),而且没有可衡量的下降与旁路帽。扭曲 
	  
	
  Figure 2 - Preamp Wiring Suggestion
      
      (责任编辑:admin)
 |