最好的电子音响科技diy制作网站

haoDIY_音响电子电脑科技DIY小制作发明

当前位置: 主页 > 音响DIY > 功放DIY > 前级DIY >

国外译文:lm49720+OP1632运放基于平衡的前置放大器前级

时间:2013-01-18 10:33来源:未知 作者:admin 点击:
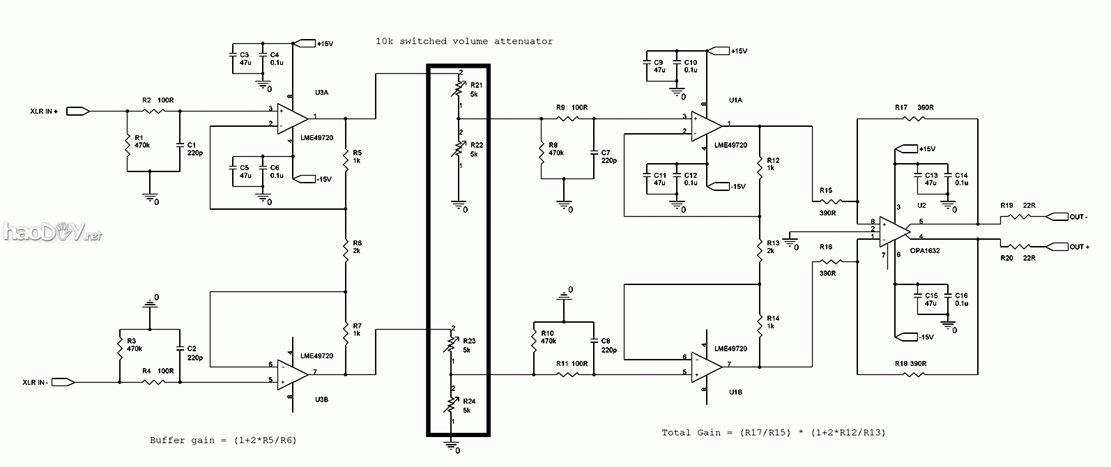
此预 放大器 是一个简朴的 运算放大器的 前置放大器 , 包罗 一个缓冲级 , 作为 音量衰减 , 另一个缓冲区 ,然后 均衡线路驱动器 的电阻器路线 。 行使的缓冲区 LME49720 , 一个 国度 高机能 双运放 。 均衡线路驱动器 的Burr Brown OPA1632 。 配置 的输
国外译文:lm49720+OP1632运放基于平衡的前置放大器前级

此预
放大器是一个简朴的运算放大器的前置放大器包罗一个缓冲级作为音量衰减另一个缓冲区,然后均衡线路驱动器的电阻器路线行使的缓冲区LME49720一个国度高机能双运放均衡线路驱动器的Burr Brown OPA1632

配置的输入阻抗通过R1和R3,这是47万缓冲器增益毅力由R5,R6和R7缓冲器增益=(1 +2 * R5/R6 (附注R12,R13和R14第二缓冲器全差分运放OPA1632的增益R17/R15

我的配置每个缓冲器增益配置为2差动运算放大器的增益被配置为1因此前置放大器的总增益是4。 12分贝

前置放大器可以用于单端输入/输出当用于单端输入,只能选择外接++信号应接地。对付单端输出中,仅行使+信号

下面是运放电路板道理图(点击放大
国外译文:lm49720+OP1632运放基于平衡的前置放大器前级

PCB每个PCB一个通道(点击放大): (责任编辑:admin)
织梦二维码生成器
顶一下
(6)
75%
踩一下
(2)
25%
------分隔线----------------------------
发表评论
请自觉遵守互联网相关的政策法规,严禁发布色情、暴力、反动的言论。
评价:
表情:
用户名: 验证码:点击我更换图片
栏目列表
推荐内容