|
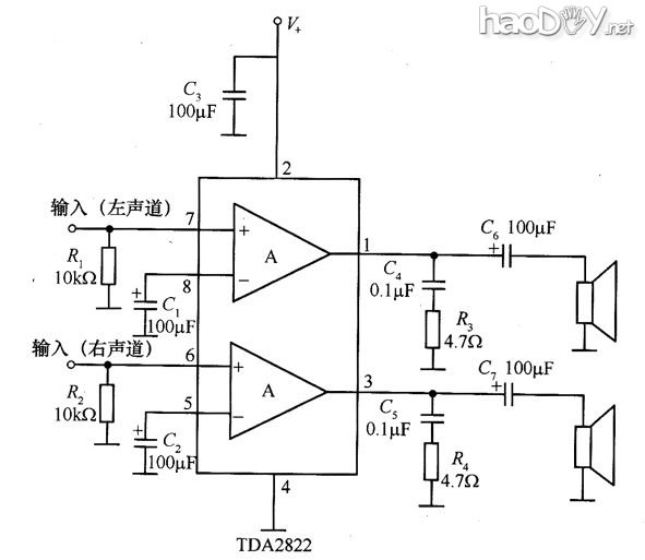
这个就不用多做介绍了,我是用洞洞板做的,电路图参考上面主旋转屏的原理图,我加了散热,并固定好,同时,在该模块下面还是一个红外发射LED,是配合顶部旋转屏编程显示的。 (4)电子音乐 我使用的是普通的固化了语音内容的音乐IC,增加了一点电子韵味哈,这个模块也是在51电子淘宝来的, ,参考电路也是上面这个,但是我没用扬声器,节省体积我用了有源蜂鸣器代替(注意一定要用有源的蜂鸣器,无源的声音很小),同时该模块工作电压比较小,我直接加了100欧左右的电阻分压就可以了。这个模块我也加了独立的开关,因为电机的工作有很大的干扰,因此在这个音乐IC的电源输入端我加了100UF的滤波电容。 (5)MP3外扬电路 为实现MP3外扬,有使用了TDA2822功放芯片,并加大了输入电源的滤波(220UF,尽量大,因为电机干扰),出来的声音勉强可以了哈。如果从MP3音频插口直接输入到TDA2822的声音过大失真严重的话,可以在输入线按一个10-20K左右的电阻下拉到地线,这样声音就柔和适合多了。电路原理图参考下面 同时,刚才的耳机接口要用那种五个脚带开关的音频插座,这样就可以实现插入耳机后断开送入TDA2822的音源。在该模块下面有一个0.5W的小喇叭,通过上面的红外说明上面的洞洞发出声音。如下 (6)电机调速 按照原来的套件,电机是直接接到一个1N4007的两端通过1N4007两端的压降供电的(大概0.6-0.7V),但这样的供电在实际中,电机会转得很慢。又因为我在顶部加了时钟模块和其它的,不加大电机电压,转速跟不上,显示时会非常闪烁的,所以我用了CW317可调稳压IC对电机进行调压。可能有些朋友就说了,干嘛不直接串联一个电阻到电机就可以了,干嘛那么麻烦。首先,电阻串联是可以的,但电阻阻值会随着产热发生改变,加上直流电机本身的阻值不是很高,要串联的电阻是也是比较低的,电阻产热会很高,就导致到电机的电压不稳定,即影响转速,又不稳定了。所以最后还是用CW317进行稳压调速。其电路很简单,大家参考CW317芯片的经典接法就是了。 (7)其他 还买了个七彩LED,在底盒顶部用电钻打了一些小洞组成一个“心”形,在心形中间把这个七彩LED装上,这些小洞既可以来给底盒的互初正反馈振荡电路散热,又有其他的意思哈 ~~还有其他的旋转屏显示效果,只是真正见识到了我这人DIY作品才能感受得到的哈。 到现在,DIY过程也介绍得差不多了,因为制作过程中没留有相片,只能靠现在的口述了…… 感兴趣的朋友,制作过程中有什么问题的都可以向我交流探讨哈 最后,分享我的程序,这个程序可是原创的哦,有什么建议或问题再交流了哈………… ![]() (责任编辑:admin) |


















