欢迎光临haoDIY - DIY制作从这里开始!

diy音响功放音箱胆机电子单片机电脑科技小发明机器人制作_haoDIY

haodiy微信
当前位置: 主页 > 软件下载 > 电路图资料 >

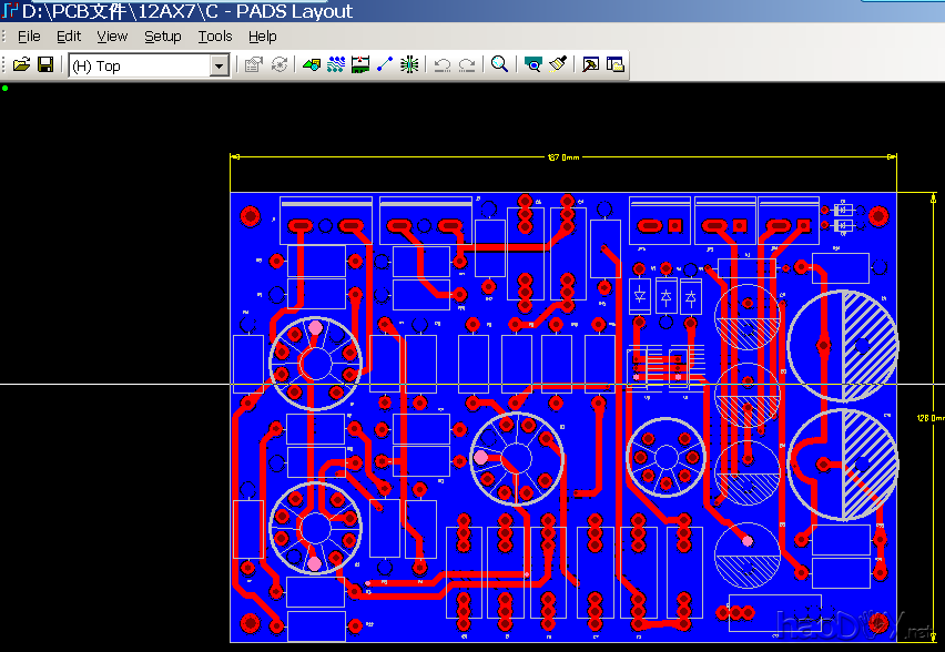
12AX7+6z4的电子管胆前级pcb文件

软件类型:国产软件 授权方式:共享软件 界面语言:简体中文 软件大小:0.01 MB 文件类型:.rar 运行环境:Win2003,WinXP,Win2000,Win9X 软件等级:★★★☆☆ 发布时间:2012-10-03 官方网址:http:// 演示网址:http:// 下载次数:
软件介绍
今天在给大家上个12AX7+6z4的电子管的吧


下载地址
下载说明

因为下载很占服务器资源,网站运营成本很高,所以软件全部限制为会员下载,请大家理解和支持

☉推荐使用第三方专业下载工具下载本站软件,使用 WinRAR v3.10 以上版本解压本站软件。
☉如果这个软件总是不能下载的请点击报告错误,谢谢合作!!
☉下载本站资源,如果服务器暂不能下载请过一段时间重试!
☉如果遇到什么问题,请到本站论坛去咨寻,我们将在那里提供更多 、更好的资源!
☉本站提供的一些商业软件是供学习研究之用,如用于商业用途,请购买正版。

顶一下
(0)
0%
踩一下
(1)
100%
------分隔线----------------------------
发表评论
请自觉遵守互联网相关的政策法规,严禁发布色情、暴力、反动的言论。
评价:
用户名: 验证码: 点击我更换图片
栏目列表