|
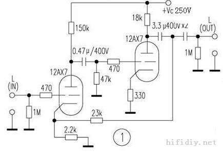
PCB之马碲斯胆前级(感光油) 调试电源用了SP-10 电路 打印PCB图 ![]() 清洁后的铜板准备上蓝油 ![]() 曝光中 ![]() 曝光完成显影 显影完成 ![]() 腐蚀(用热水再加点双氧水.腐蚀很快) ![]() 腐蚀完成,效果还不错 ![]() 开始打洞了,嘿嘿 一个字累,不管是什么洞 ![]() 完成后刷上一层松香水溶液防止氧化 ![]() 上元件 ![]() ![]() ![]() 上完元件调试,基本没有什么问题 音乐欣赏中 完成 机箱就再说吧先这样 ![]() ![]() ![]() 想做的兄弟直接下载打印实际大小就可以了 整流滤波用好点的,灯丝可平衡接地,用直流噪声更小 最终配置 前级板 电源板 ![]() |









































