最好的电子音响科技diy制作网站

haoDIY_音响电子电脑科技DIY小制作发明

当前位置: 主页 > 电子DIY > 控制电路 > 遥控电路 >

自制简易通用型红外遥控接收电路

时间:2012-12-30 19:38来源:网络 作者:网络整理 点击:
免费提供各种电子制作文章、资料、图纸

此刻家庭中TV、VCD、VCR等红外遥控发射器拥有量较广泛,本电路针对它们的机能而构想,使遥控发射器施展另一用途:发射红外信号,节制照明灯具,其节制间隔>8米。
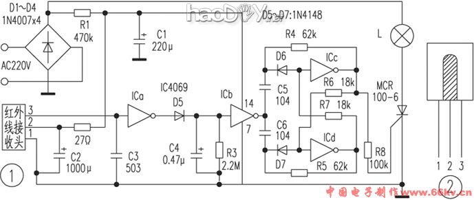
    电路道理: 本电路见图1,首要由红外吸取头和IC4069构成的红外节制开关电路。红外吸取头静态时输出高电平。当收到遥控发射器送来的红外脉冲信号时,吸取头的第脚输出低电平(脉冲信号)。经ICa整形、放大、倒相而获得负脉冲信号,再由D5、C4、R3检波,延时送至ICb(到达反相器的阈值电压),致使ICb输出低电平,然后C4端电压经R3放电,使ICb输入端低于反相器的阈值电压,ICb输出端规复高电平。这样,每按动一次红外发射器,在IC6输出端就获得一个负脉冲信号,去触发由ICc和ICd构成的双稳态电路,促使双稳态电路翻转,输出H或L电平,通过R8节制单向可控硅的导通或截至,进而节制灯具的亮与灭。
    220V交换电经D1~D4、R1和C1整流、降压,为电路提供+5V直流电压。
    调试及留意事项: 只要元件安装无误,即可通电丈量TC4069第脚电压,一样平常为+5V阁下。若电压过低,恰当调解R1阻值。本电路空耗极微,实测功耗低于1/2W。留意:电路板带高压,测试时务必审慎,以防触电。
    元器件选择: 红外吸取头的直流内阻较高,事变电压+5V(见图2)。单向可控硅SCR应与所选用白炽灯功率相等,以防过流击穿。

 

自制简易通用型红外遥控接收电路

 

 

(责任编辑:admin)
织梦二维码生成器
顶一下
(0)
0%
踩一下
(0)
0%
------分隔线----------------------------
发表评论
请自觉遵守互联网相关的政策法规,严禁发布色情、暴力、反动的言论。
评价:
表情:
用户名: 验证码:点击我更换图片