|
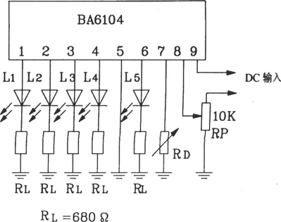
BA6104因为输入级回收了PNP复合晶体管基极输入方法,因此其输入阻抗很高。输出级回收射极跟从器情势,调解图中LED外接电阻RL,可改变LED驱动电流。7脚外接一电阻可改变Vref,当7脚开路时,基准电压Vref由IC内部节制,其值近似为1V。若要求LED表现电平低于1V时,只需在7脚与地之间接一电阻RD,则可低落Vref,如图中;若要求表现电平高于1V,只须在7脚与电源Vcc之间接一电阻R,则Vref会升高,其相关式为:Vref=[Vcc+0.75R(kΩ)]]/[0.75R(kΩ)+1]。
(责任编辑:admin) |





















