最好的电子音响科技diy制作网站

haoDIY_音响电子电脑科技DIY小制作发明

当前位置: 主页 > 最新DIY >

FU-50 推挽 分体式

时间:2017-05-31 21:59来源:www.crystalradio.cn 作者:天线迷 点击:
2016年还几天就要结束了,这件DIY胆机也就算是告别2016年迎接新年的礼物吧! FU-50推挽 音色真是很好!中音饱满、低音厚实、高音亮丽。 以下图中...是在2007年买的两套 FU-50推挽机的电源牛和输出牛,几个月前翻箱底找出来留了个影。 当时是一朋友还给了份FU
2016年还几天就要结束了,这件DIY胆机也就算是告别2016年迎接新年的礼物吧!
FU-50推挽 音色真是很好!中音饱满、低音厚实、高音亮丽。
FU-50 推挽 分体式

以下图中...是在2007年买的两套 FU-50推挽机的电源牛和输出牛,几个月前翻箱底找出来留了个影。FU-50 推挽 分体式 
当时是一朋友还给了份FU-50推挽的电路图。
FU-50 推挽 分体式
FU-50 推挽 分体式

电源牛经测算,一个电源牛做二路FU-50推挽功率是不够的,后就二改一。原电路也有较多的不妥,也将其完善。
方案:6N8P+6N7P+FU-50; 结构和布局: 做成分体镜像...出图...干活...FU-50 推挽 分体式 
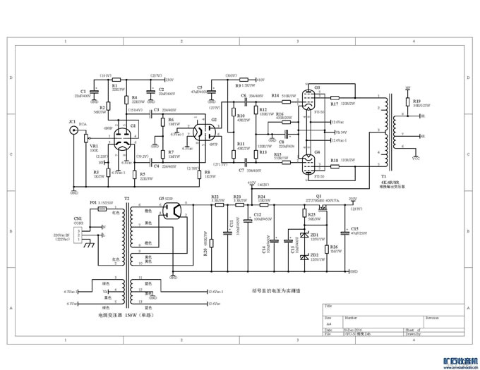
电路原理图
FU-50 推挽 分体式

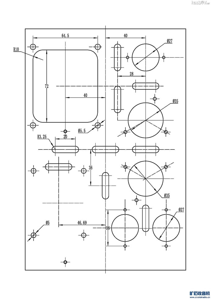
面板图
FU-50 推挽 分体式

机加工 打孔 铣边
FU-50 推挽 分体式
FU-50 推挽 分体式

试装 目测 调整
FU-50 推挽 分体式
FU-50 推挽 分体式
FU-50 推挽 分体式
FU-50 推挽 分体式

焊机 全部是棚焊
FU-50 推挽 分体式
FU-50 推挽 分体式

装调 测试
FU-50 推挽 分体式
FU-50 推挽 分体式

请观赏
FU-50 推挽 分体式


整机功耗:240W;
输出功率:20W  失真小于 0.5%;   30W  失真小于 1% ;

当然FU50推挽比FU50单端功率还要大几赔,单端的功率储备远不及推挽,也就是说它的动态不如推挽。
要真实展现音乐和表现音乐的魅力,功放一定要有足够的功率储备、好的输出频响和尽可能低的输出失真率。
音乐的重放...与器材的搭配很重要,这是个系统。
我的搭配都是理性配置:
1、箱子:SP80A(德生  逆向设计的  L 3/5A);
2、功放:DIY FU-50推挽;
3、前置:蓝牙4.1+QQ音乐+下载的无损节目(通过手机播放)。
我是这样慨括...此套配置
低音厚实...而不濁;中音饱满...而不散;高音靓丽...而不刺。
表现我很满意!
FU-50 推挽 分体式
FU-50 推挽 分体式
FU-50 推挽 分体式


(责任编辑:admin)
织梦二维码生成器
顶一下
(0)
0%
踩一下
(0)
0%
相关文章
------分隔线----------------------------
发表评论
请自觉遵守互联网相关的政策法规,严禁发布色情、暴力、反动的言论。
评价:
表情:
用户名: 验证码:点击我更换图片
栏目列表
推荐内容