最好的电子音响科技diy制作网站

haoDIY_音响电子电脑科技DIY小制作发明

当前位置: 主页 > 最新DIY >

——用上世纪60年代原装进口套件 替朋友焊装EICO MX99胆解码器—

时间:2017-05-31 22:00来源:www.crystalradio.cn 作者:醉翁 点击:
0.jpg (77.72 KB, 下载次数: 43) 1.jpg (95.14 KB, 下载次数: 58) 2.jpg (87.59 KB, 下载次数: 48) 3.jpg (92.86 KB, 下载次数: 41) 4.jpg (70.53 KB, 下载次数: 39) 电路图来啦~~呵呵~ 电路图.jpg (194.6 KB, 下载次数: 65)

0.jpg (77.72 KB, 下载次数: 43)

 

——用上世纪60年代原装进口套件 替朋友焊装EICO MX99胆解码器—
 

1.jpg (95.14 KB, 下载次数: 58)

 

——用上世纪60年代原装进口套件 替朋友焊装EICO MX99胆解码器—
 

2.jpg (87.59 KB, 下载次数: 48)

 

——用上世纪60年代原装进口套件 替朋友焊装EICO MX99胆解码器—
 

3.jpg (92.86 KB, 下载次数: 41)

 

——用上世纪60年代原装进口套件 替朋友焊装EICO MX99胆解码器—
 

4.jpg (70.53 KB, 下载次数: 39)

 

——用上世纪60年代原装进口套件 替朋友焊装EICO MX99胆解码器—

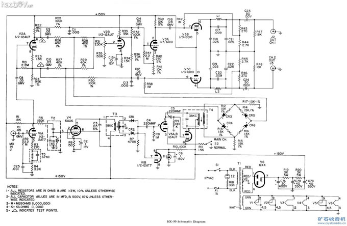
电路图来啦~~呵呵~
 

电路图.jpg (194.6 KB, 下载次数: 65)

 

——用上世纪60年代原装进口套件 替朋友焊装EICO MX99胆解码器—
 

(责任编辑:admin)
织梦二维码生成器
顶一下
(0)
0%
踩一下
(0)
0%
------分隔线----------------------------
发表评论
请自觉遵守互联网相关的政策法规,严禁发布色情、暴力、反动的言论。
评价:
表情:
用户名: 验证码:点击我更换图片
栏目列表
推荐内容