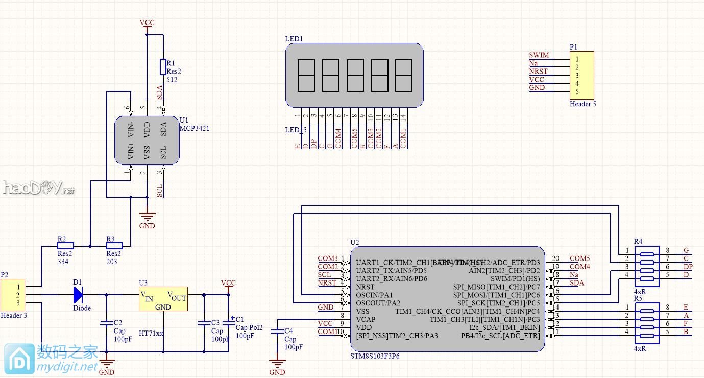
| 最近不少闹心事,前几年去矿坛中毒,撸了些基准回来,后来一忙就忘了,前段时间被隔壁群买表的钩起了心愿,就弄了块板子,把两年前的买的五位电压表头接上作为监测,看看买的东西性能到底咋样。测了几天,有一天回来不小心把有18V电的电线不小心怼到表头里面的线路板上了,只听得清脆的一声“啪”,表头就此不亮了,赶紧测一下,7136输出很低,说明负载很重,拿热风枪吹去STM8S003芯片,电压恢复,说明芯片损坏了。找原来的卖家,已经不做这个东西了,看到板子上淘宝店地址,赶紧联系一下,可是好说歹说,就是不肯卖单一片芯片给我。晕,哥怒了!!! 翻了一下小小仓库,还好,还有STMS103芯片,管脚和板子上兼容的,就是擦写次数多点,焊上,电压没降,放心了。然后拿出万用表,把原理图画出来,再后就是写程序了,东拼西凑,先点亮数码管,然后再驱动MCP3421,怎么也不行啊,赶紧下单买几个,上周整俩休息天,昨晚整了一晚,今天整下来能正常使用了。 这里把源代码和电路图共享出来,希望有我一样遭遇的桐油们,可以不再看商家脸色了。也可以自己做板子做了。程序还有不少空间,希望会玩的桐油们一起开发出更多的功能,例如改成电流表,改量程都变得非常轻松了。也希望大家能共享自己的成果。 废话说完了,上图,MCP3421性能还是杠杠的,精度高,稳定性好。           下面重点来了,电路图。。。   这是重点中的重点 源程序 来了  Vmeter.rar (346 K) 下载次数:58 好了,大家有M币砸M币,没有的捧个场,谢谢大家!!! (责任编辑:admin) | 























