|
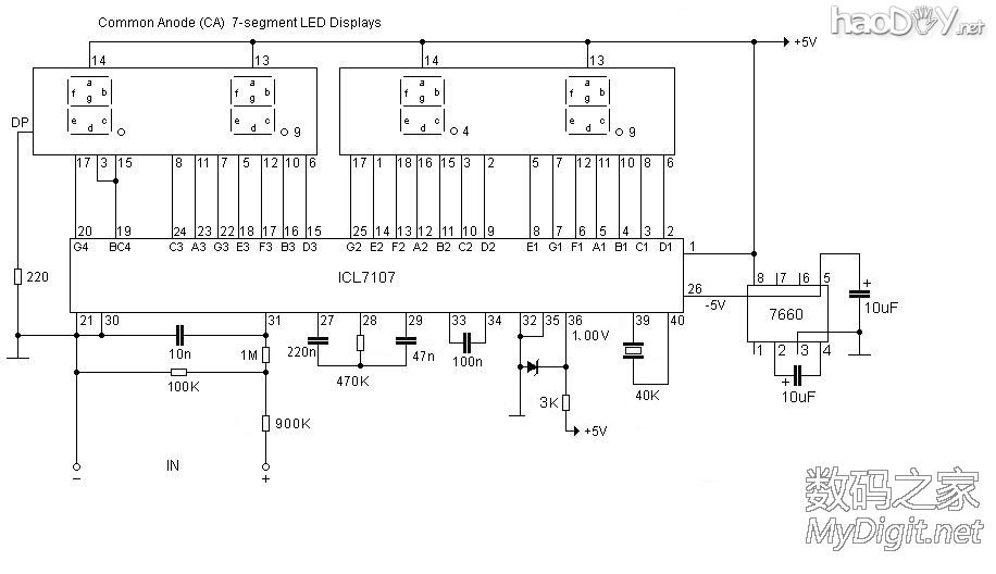
前一阵子杂牌的9205万用表出现问题,维修的同时就顺便学习了下ICL7106/7这块3位半模数转换器芯片的DataSheet,一番研究,感觉这块芯片虽然价格低廉,遍地开花,但是指标似乎不低,如果基准源足够精确的话,配上适当的元件,应该能够得到足够的精度供业余使用,当即决定利用ICL7107制作一块较高精度的20V表头,能够在某些方面取代未经过校准的杂牌9205万用表。 ICL7107最大的麻烦就是它驱动数码管不是扫描式的,这样的话,就要多出几十条连线,上网搜了一圈,在咱们坛子找到了一个设计好的PCB,而且还有做成的作品,就以它为蓝本了,在此对原作者表示深深感谢。 对之前的线路图稍做修改,7107的时钟采用晶振提供,虽然说7107用RC振荡就可以正常工作,但是,为了达到100uV的最小分辨率,决定用晶振以提高时钟稳定度;DataSheet里推荐时钟频率是48KHz,但是没有买到48KHz的晶振,只有40.003KHz的,仔细一看DataSheet,40KHz时钟还可以抑制50/60Hz的噪声,真是歪打正着。 ICL7107的基准是最关键的,它直接决定了电压表的精度,虽然有廉价万能的TL431,但是市场上的TL431良莠不齐,一些国内小厂生产的TL431很难达到其应有的精度,而且用TL431做基准就必须用分压电阻才能获得1.000V基准电压,分压电阻采用又会增大误差,所以决定采用1.000V基准电压芯片直接提供基准电压。 搜罗了一圈,1.00V的基准还真不好找,最后找的ADI生产的ADR510,1.000V低噪声基准电压源,正负3.5mV误差,70ppm/C温漂。虽然温漂高了些,但毕竟这表头是自己用的,室内温度基本不会偏离25度太远,可以接受,但是价格嘛,TL431工业级的是一块大洋一个,这个家伙15大洋一个。 这是最终的线路图
开始制作印制板,网上找到的PCB是用CD4069提供负压的,试验发现用CD4069提供负压能力偏弱,工作时负压只有-3V左右,虽然表头能够正常工作,但是总觉得不爽,于是改成ICL7660提供负压,这样电路还简单了 先把PCB图打印到热转印纸上,话说这打印耗材有门道,这次用的HP原装硒鼓,打出来的图案光洁牢固,以前用的国产兼容硒鼓,经常打出来的同时,较细的线条就掉了
对裁好的覆铜板进行处理,钢丝球+肥皂猛刷,铜箔不怕刷毛了,刷毛了反而利于碳粉的附着 刷干净的覆铜板把它擦去水分,放到暖气上烘干,需要注意的是,刷干净后,千万不能用手触摸铜箔面,如果手上的油脂粘到了铜上,等腐蚀后你就等着哭吧,有油碳粉是很容易剥落的 还有一点值得注意到是,在裁切板材时,PCB边缘的铜箔多多少少会有一点卷边,这个毛刺一定要用锉刀削掉,不然,热转印时这就是一个障碍,影响边缘的碳粉附着,怎么印都印不上
将PCB与图案对齐,粘上透明胶条固定,不用担心透明胶条受热会融化
下面开始热转印,没有转印机就用熨斗了,一样好使,温度要调高一点,我用的“棉”挡,先把熨斗压在上面预热大约10秒钟 然后,从一边像另一边单方向推动熨斗,不易来回拖熨,熨斗熨烫的同时要用力下压熨斗以施加压力,大约熨烫15次左右就可以了,温度足够的标志是有少量烟雾冒出
趁热可以随时揭开转印纸一脚检查转印情况,这就是没印好,需要继续熨烫 不需担心热转印纸会整个掉下来,它一受热压就会和覆铜板粘在一起,揭开一小脚没有问题
转印好了,趁热撕下转印纸,千万不要等冷了再撕,有时候冷了撕纸会破,上面的蜡质会撕不干净 造成腐蚀的时候形成残留。 用油性记号笔把转印缺陷涂一涂就可以了
用三氯化铁溶液进行腐蚀,这里有个小技巧:腐蚀的时候利于表面张力把PCB铜面向下浮在液面上,这样生成的氯化铜会不断被稀释,腐蚀起来会快很多,而且很均匀,当然,不要忘了适当加热。
腐蚀好的线路板,钻孔,然后刷上一层松香酒精溶液,一是保护,二是助焊
开始上元件,先从矮的开始
焊上安装数码管的圆孔
这是基准电压芯片ADR510,SOT-23封装,制作PCB时,留的是TO-92封装的焊盘,但是,TO-23正好可以安 在2.54mm间距的两个焊盘间,而且虽然是3个脚,实际只需要用两个 ![]() 焊上去,这里预留了一些焊盘,可以用TO-92基准,还预留了电阻分压和微调 电位器的焊盘,但是目前看来是用不上了,如果好用,还可以直接把基准焊在 ICL7107的引脚上 ![]() 不插ICL7107,上电测试,-5V电压正常 ![]() 测试基准,0.98V,这个杂牌表是有误差的,以前用基准对比过 这里不是看准不准,而是看是否工作正常 ![]() 安装晶振,晶振是小圆柱的,引脚需要折弯处理,注意防止短路 ![]() 安上其它元件,这是两个分压电阻,使表头量程扩大到+—20V 用的是0.05%的精密金属膜电阻,100K和900K构成 ![]() ![]() 安上7107和数码管 ![]() ![]() ![]() ![]() 上电,显示-0.00,那个负号是不定的,有时显示有时消隐,很正常 ![]() 做好的表头必须经过校准,但是苦于手上没有高精度的表做参考,所以这个表头虽然做成了,但是目前的测量结果并不具有可信度,毕竟天知道能与他参考做它的杂牌万用表是不是精准呢。经济能力不足以购买高档次的表,再者买高档次的表也就失去了做这个表头的意义,因此,独立自主,自力更生,土法上马,决定利用高精度的基准电压芯片校准这个表头。 去中关村买了三个基准电压芯片: ISL21007CFB812 ,Intersil出品,和ICL7107是一家,1.250V输出,正负1mV误差,5ppm/C温漂 MAX876 ,美信出品,10.00V输出,正负0.03%误差,7ppm/C温漂 REF195 ,ADI出品,5.000V输出,最大正负2mV误差,5ppm/C温漂 对于我这个20V的表头来说,其最小分辨率是10mV,基准电压芯片mV级的误差足以校准它了,话说这些芯片真贵啊,三个小玩意,一张红票就没了,都够我做好几个表头了,话说还有更好的LTZ1000,神器一样的基准源,用不上,更买不起! ![]() 芯片都是SOP-8的,必须焊到转接板上才能引出插针 ![]() ![]() 差不多完工 ![]() 完成的两个基准电压模块1.250V和10.00V ![]() 完成的基准电压模块5.000V ![]() 三个基准电压模块的全家福,分别是1.250V、5.000V/10.00V 对于这个三位半的表头,最小能测得的电压是0.01V,因此,基准源的误差都是mV级别的 做参考完全没问题 ![]() 通电试试,先看看我这杂牌万用表如何 输入10.000V,显示的是9.93V,差了70mV 这万用表用的是软封7106,片内基准分压,做工较差, 凑合也用了小10年 等以后有时间再拿它开刀 ![]() 开始检验表头,之所以是检验不是校正,是因为这表头没法调整 为了保证基准的供电品质,基准源采用电池供电 ISL21007CFB812的工作电压是2.7-5.5V,所以用一节锂电池供电 MAX876和REF195电压高,用一节12V铅酸电池供电 电池供电是纯直流的,尽最大可能使基准不受干扰, 顺便还看了下温度,目前室温是26摄氏度,应该不构成干扰 先接入1.250V 没做任何改动,完美显示1.25V (责任编辑:admin) |

























































