|
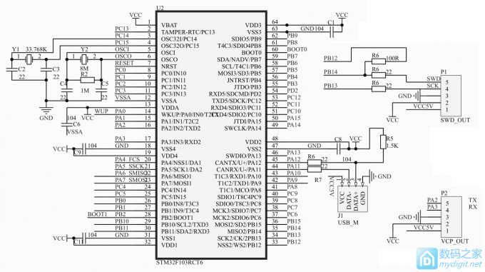
由于pos机实在是太便宜了,所以大家都开始学stm32 学习stm32一般手里都得有jlink或是stlink,又要花钱?不,要自己动手做! 跟下面贴子学的,不算是很难,原贴地址: 【教程】用gd32做一个jlink-ob调试器,并吊打壁虎(efm32) 我使用的是v-pos的pos机,还有几种pos机,内部跟这台是一样的,易钱包和有部分既付宝都是跟这个一样的板子,大家看电路板吧,如果pcb一样,就可以照着撸了。 大家尽量不要插楼,这层先简单说一下,后面有细节 下载附件放不下了,如果不插楼应该被放到5楼,插楼后我也数不过来。大家使用“只看楼主”功能找吧。 步骤很简单: 1、把原来的电池、晶振、 IC 卡座 、flash(MX25L3206E)拆除, 2、换上12M晶振 3、引出下载用串口 4、boot0位置引线拉到高电平 5、Micro USB 口中 D+引脚上拉 6、刷新固件,并测试 7、PB12与PB14之间添加100欧电阻,引出swclk swdio引脚,通过22欧电阻输出 8、引出VCP的Txd和Rxd引脚,通过22欧电阻输出(这一步是提供VCP 串口,可选做)
首先是拆除掉电池和IC卡读卡器插座 然后把晶振换成8M的,原来的晶振与固件不兼容
晶振的引脚位置。
使用原有的测试点添加一个下载口,在没有jlink和stlink的情况下使用串口下载程序。
下载串口细节
还需要把boot0拉高到3.3V。注意那个LDO的位置,后面还要用到。
引出boot0,方便拉高,还有usb 的D+引脚也需要使用一个电阻上拉到3.3V
usb上拉细节
boot0引脚细节
做完这些就可以下载新固件了。 使用ttl串口线连接到新添加的下载串口上面,使用软件GigaDevice MCU ISP Programmer进行固件下载。 先把boot0引线与3.3V测试点连接到一起,再给pos机上电,强制pos机进入下载模式 如果串口没有反应,可能是ttl串口线的TXD和RXD接反了,反过来插一下试试。
选择下载到设备,并选择固件(ST2JLINK-含VCP)
确定下载顺利完成后,才往下进行。 总体电路原理图如下:
这个小JLink-ob成本超低,一块钱的pos机,加一个8M的晶振,5个电阻,一个10pin插针就可以了。 但是还有不足,jlink没有reset脚,按键无用,指示灯不亮,固件不支持原来的12M晶振,不然也不需要换晶振了。 希望坛友位积极开发,尽快搞出更完善的版本来。
还是被插楼了。刚刚一不小心点发布了。 好,现在开始正式制作。前面的大家当没看到吧。 其实1楼有两个目的,一个是表示制作过程比较简单,另一个是想先测试一下能不能下载程序,如果能,那我们就好好弄一下硬件,装点得像个样子。 最开始是把IC卡读卡器和电池先焊掉, 然後是添加下载口,这次弄得漂亮点, ![]() 晶振,换下原来12M,换上一个8M的,认准两个脚的位置 ![]() ![]() 添加jlink输出口,取100mil间距的5x2pin 标准插针做输出口,一面是jlink,另一面是vcp 在板子上比一个合适的位置,我使用了原来IC卡卡座的两个引脚,在它们旁边的敷铜刮开做gnd,这个两面都要刮,是主要的固定引脚 由于计划是一面jlink,一面vcp,两面都有独立的双电源和地,所以电源和地脚都是上下通的,每面各占用3个脚,jlink面另外两个脚分别是swdio和swclk,vcp面是rxd和txd ![]() 把原来IC卡座焊盘的引线断开,使焊盘独立,然后把5x2插针固定到板子上,再固定两面gnd 另外两脚本来是打算也刮铜固定来着,可是里面地过孔太多了,总是清不干净,怎么弄都是短路,于是能只悬空了。 为了防止再短路,我贴了高温胶带 ![]() 这是焊好的下载口,那个2pin插针的脚要先折弯再焊到板子上面去。 ![]() 然后就是外壳开槽,把板子放进去对好位置,划线然后开口,大家各找适手的工具 ![]() 另一下开太深,开一点放进去试试,直到刚好全放进去为止 ![]() 就像下图这样,此时板子已经完全放好 ![]() 盖上上盖不影响 ![]() 接下来处理USB接口的D+脚上拉。 这个一定要上拉才是USB device模式,就是插电脑上才有反应,不做这个插电脑上完全无反应,第一弄的时候我以为弄坏了不好使,就是这一步没做。 在电源管理芯片和GD32之间有两个22欧的电阻,左边的那个是D+,右边的是D- 我们只需要把左边那个使用一个合适的电阻上拉到3.3V或是5V应该都可以的。 我这里使用的是一个4.99k的电阻上拉到3.3V。焊点有点小,不太好操作。 ![]() 3.3V的位置就在电源管理芯片的右上方,那个电容是电源滤波电源,左侧是3.3V,右侧是gnd 我们从左侧3.3V那里接一个电阻再接到USB D+就可以了。 ![]() 这里是原来的flash位置,需要把原来的flash芯片(MX25L3206E)焊下, 然后接两根线去输出,再焊一个100欧电阻在PB12和PB14之间。 尽量不要从芯片引脚直接取,那里太密了,不好操作,我就是把引脚都弄连一起了,最后又转战到这里。 ![]() 100欧电阻 和 jlink数据 这个位置比较大,两个引脚间可以直接放一个贴片电阻。建议用0603的。我上面用的是0805的,有点大。 ![]() 这个脚是jlink时钟 这边是jlink输出口,把刚刚的jlink时钟和数据通过22欧电阻接到输出脚就可以了。那个22欧的传输电阻应该不是要求特别严格,我没找到22欧,用了20欧。 3.3V从旁边取,5V电源从背面的LDO取。 ![]() 这里是VCP的rxd和txd引脚,PA2 和 PA3,在GD32的右下角。 (责任编辑:admin) |














































