|
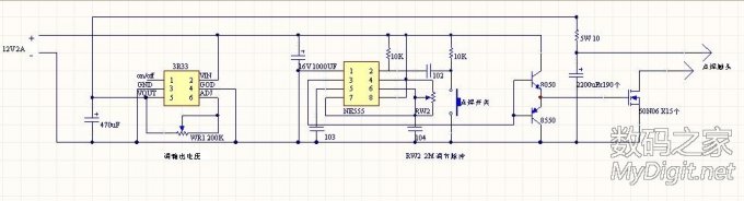
看了aiiey兄弟做的点焊机 ,自己也仿制了一个. 谢谢他的耐心解答 买了200个日本化工的LXJ系列电容.说两袋有200个靠回来数少了5个,真是JS. 3毛钱一个 场效应管我用的是50N06 用了15个. 控制脉冲用NE555做的 调压用的是白菜模块3R33 点焊头找不到好的材料,就暂时用两个外热式的烙铁头凑着用 点焊线用的是6平方的软铜线,晕1米花了我10块钱 由于找不到什么好的东西点焊,所以只在镊子上点了一小片镍片.很难用手拉下来 .我调的是5V点焊的效果 看看我做的 大家都说要电路图,我用软件画了一个。第一次用 画的不是很好,大家就凑合着看吧 做试验的是锂电池上的镍带和路由器 铁壳没有相机 照的不清楚 这东西做出来 成本很低的,电容60 场管15 3R33是0.6 NE555是1元 洞洞板10 粗铜线20 点焊头6 焊锡丝10 其它的都是拆机 总共才120左右 (责任编辑:admin) |










































