最好的电子音响科技diy制作网站

haoDIY_音响电子电脑科技DIY小制作发明

当前位置: 主页 > 最新DIY >

拆吸顶灯分段控制器得到CD4017,改成了点焊机控制板,最短半波0.

时间:2017-08-02 15:46来源:数码之家 作者:铁木珍 点击:
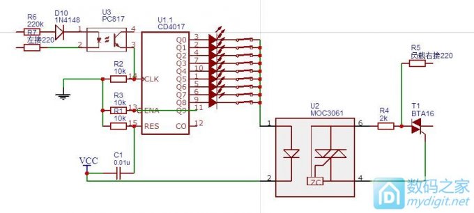
特别鸣谢8楼 衡水家维 的理论分析和电路扩展方法。(将4017作为计数器使用,用50HZ型号来触发(这个时基信号选的好,国内的电网,估计比自己制作的555或者4069等电路发出来的还精准呢,利用上半周信号触发,每个触发导致输出端Q0-q9依次点亮,而用Q9接使能端
特别鸣谢
              8楼 衡水家维 的理论分析和电路扩展方法。(将4017作为计数器使用,用50HZ型号来触发(这个时基信号选的好,国内的电网,估计比自己制作的555或者4069等电路发出来的还精准呢,利用上半周信号触发,每个触发导致输出端Q0-q9依次点亮,而用Q9接使能端,为了进入下一个循环,想延时多久,只需要看接入多少LED(即输出端)因为其间隔是相等的,如果不够,还可以再加一片4017级联,那样,就得到18个-19个周期了)
               19楼 qrut 指正电路图中的错误。MOC3061的2脚应该接地。

电路比单片机的稍复杂一点。好在不用编程。用射灯做负载实验一下,可惜一个灯亮的图都没抓到。
拆吸顶灯分段控制器得到CD4017,改成了点焊机控制板,最短半波0.

拆吸顶灯分段控制器得到CD4017,改成了点焊机控制板,最短半波0.

拆吸顶灯分段控制器得到CD4017,改成了点焊机控制板,最短半波0.

蓝灯指示CD4017已接通低压电源。
拆吸顶灯分段控制器得到CD4017,改成了点焊机控制板,最短半波0.

红灯指示正在向CLK输入脉冲信号。
拆吸顶灯分段控制器得到CD4017,改成了点焊机控制板,最短半波0.

拆吸顶灯分段控制器得到CD4017,改成了点焊机控制板,最短半波0.

拆吸顶灯分段控制器得到CD4017,改成了点焊机控制板,最短半波0.

拆吸顶灯分段控制器得到CD4017,改成了点焊机控制板,最短半波0.

这是在CLK脚手动输入脉冲,输入一个脉冲,绿色二极管向右移一位。下图中正在发光的蓝色二极管代替MOC3061中的发光管。
拆吸顶灯分段控制器得到CD4017,改成了点焊机控制板,最短半波0.

拆吸顶灯分段控制器得到CD4017,改成了点焊机控制板,最短半波0.

特别鸣谢 19楼qrut指正错误。3061的2脚应该接地。
电路图中还有一个错误,那就是Q0接的二极管通过电阻接地,预计15脚RES接高电平时,Q0所接二极管点亮,不过这个功能还没试。我是用脚踏开关控制低压电源上,来控制电路工作。脚踏接到CR(15脚,就是这个图中的RES)能否工作还没实验。
R6左侧接220V交流电,是为获得50HZ的脉冲信号。D10处换成全桥,就可获得100HZ的信号,Q1至Q8点亮时间就可缩短至半波,0.01秒。(CLK接入的信号频率的越低,Q0至Q8每一位亮的时间就越长。采用窄脉冲触发,触发后呈保持状态,直到下一脉冲到来。)
PC8174脚通过电阻接低压电源(我用的是5V手机充电器)。实际电路中是4脚接CLK,3脚接地,然后4脚通过一个几K电阻接5V电源。
拆吸顶灯分段控制器得到CD4017,改成了点焊机控制板,最短半波0.
(责任编辑:admin)
织梦二维码生成器
顶一下
(0)
0%
踩一下
(0)
0%
------分隔线----------------------------
发表评论
请自觉遵守互联网相关的政策法规,严禁发布色情、暴力、反动的言论。
评价:
表情:
用户名: 验证码:点击我更换图片
栏目列表
推荐内容