|
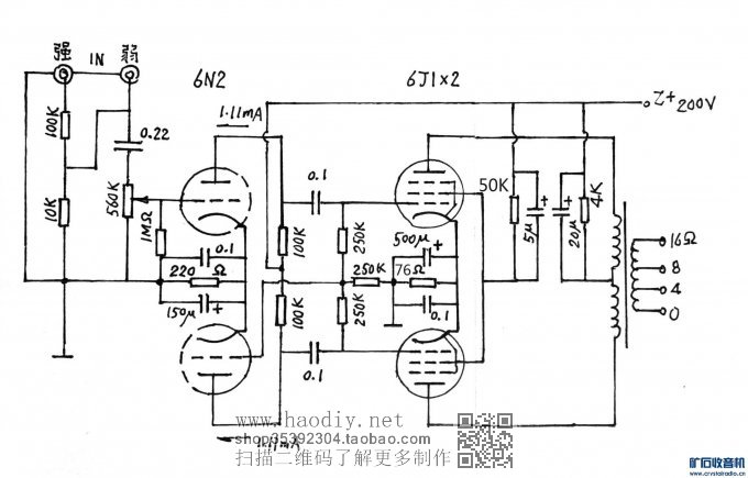
七星伴月小胆机DIY 前言。本机是2014年上半年的作品,没有赶上第五届大赛,以【七星伴月小胆机练成日记】的题目发表过,这次参加第六次大赛,进行了重新整理,适当简化。 —— 上世纪五六十年代,正是吾等的青少年时期,现在已经是一个鬓发苍苍的退休老人。可当时对无线电的爱好从矿石收音机开始,一直延续至今。多年积累下来一堆杂七杂八的老元器件,包括几十个小胆管、管座、一堆电阻、电容、旋钮、线圈、磁棒等等,都没舍得丢掉。退休前由于工作较忙,始终没有时间来制作,现在有了时间,就开始琢磨着如何把这些东西利用起来。于是有了如下的计划: 充分利用现有胆管和元器件,能够自制DIY的决不外购。制作一台小功率的胆功放。功率在1瓦左右即可,年纪大了喜欢安静的听听音乐,音量过大则适得其反。 有了计划,就开始实施。首先,从现有胆管中找出四只6J1,两只6N2,和一只6E2、一只6X2。 整体构想是每声道第一级用半只6N2作电压放大,用6N2的另一半做自动平衡倒相,第二级即末级用两只6J1做甲乙1类推挽放大。 乙电供电电压降低为200V。这是6J1屏压的极限值。 草绘的电路如下图(只绘出一个声道): ![]() 1、 输入网络: 输入端分成强弱信号两个插口,用分压网络实现, 0.22的电容起隔直流作用,另外与电位器并联一个1M的固定电阻,以防电位器触点接触不良造成栅极电位悬浮。 2、第一级电压放大兼倒相: 本级用6N2的一半作电压放大,信号电压由栅极输入,经放大后输入下级,6N2另一半由推挽输入中点取少量信号进入栅极也作反相电压放大,两管负载电阻相同并共用阴极偏压电阻,正负半周可以达到自动平衡。 两管工作点相同;设定栅极负压Ug=-0.5V即可容纳输入信号峰峰值0.1V的变幅;屏极负载电阻Ra=100K,屏极电流Ip=1.11mA,屏压Up=91.2V+时,阴极自偏电阻Rk=450Ω/2。 见屏极特性曲线: ![]() 由于工作点较低,处于线性区的边沿,与手册参数已有偏差,这里直接由图解得出参数;为提高测量精度,在电脑上将图放大后用透明直尺量取。图中沿红色负载线在工作点前后读取A、B两点的栅压Ug增量与对应的屏压Up增量,于是本级增益K=ΔUp/ΔUg 同时竖向绿色直线上C、D两点的屏流差,代表该处跨导S=ΔIp/ΔUg 本例中取UgA=0V,UgB=-1.0V;对应查图得UpA=56.4V,UpB=122.2V 增益为K1=(122.2-56.4)/(-1-0)65.8/-1=-65.8倍,即36.4db。 跨导S=2.18-0.42/1=1.76ma/V(手册标准值2.1 ma/V)。 负号表示屏栅极性相反。 本级使信号幅度放大到Vp-p=6.6V 3、 第二级推挽功放 末级采用推挽功放的目的是为了提高不失真输出功率,采用甲乙1类推挽,可以得到较大的输出功率。从6J1的屏极特性曲线比较看出,五极管比三极接法的线性要差些,但是动态范围却大于三极接法。栅压的线性范围在0~-3.5V之间,为减小交越失真。我们选工作点为-3.0V,负载选为Ra=8K——这里解释下,有人认为6J1做功放的负载选在10~15K最好,可是本人以为,由于它的屏极最高耐压只有200V,负载越大,负载线位置就越低,反而落进非线性区。尤其与0V栅压曲线拐点接近。所以这里有意选低一点的负载,线性更好,同时输出变压器更易于制作。 ![]() 工作点的屏压Up=180V,屏流Ip=2.5ma。帘栅流Ip2=0.8ma; 由此计算出,阴极共用栅偏压电阻为76Ω,屏极共用降压电阻为4k,帘栅极共用降压电阻为50k。均需用大电解电容旁路交流信号。 下面用图解法计算该级输出功率; 沿负载线看,栅极输入电压由-3V~0V(Vpp= 6.0V)时,屏压Up由180V降为51V, 由此可算出本级电压增益K2=(180-51)/3.0=43倍。即32.6db 整机增益K总=K1*K2=65.8*43=2830倍=69db。略有富余,留有少量负反馈的余地。 相应屏流Ip变化由2.5ma~18.7ma。将两管正负半周合起来,得到全输出功率为 P=(180-51)*(18.7-2.5)*4/8=1045mw,达到输出1瓦声功率的目标。 沿负载线转绘出两管合成的栅压屏流曲线如下: ![]() 图中红线即两管合成工作线,是一根穿过工作点的6ma/V斜线,说明线性优良,工作点选择正确。 未完待续,多占两个空位。
|


































