|
首先声明,本制作只是为业余爱好者提供一个电压参考,由于输出点较多,可以对万用表的线性测定提供依据,一定程度上可对三位半数字表或机械表进行校准。
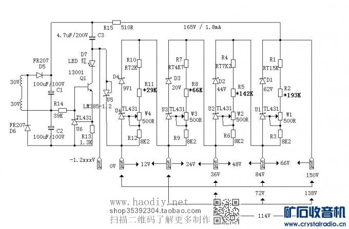
(责任编辑:admin)本机可输出: 2.5V 12V、24V、36V、48V、66V、72V、84V、114V、138V、150V共11档电压,当然你想说它是20档也未尚不可。 设计思路: 1、采用廉价易得的TL431为基础器件。 2、采用稳压管扩展输出电压范围。 3、采用负温度系数的碳膜电阻进行温度补偿。当分压电阻为同种(金属膜)时,理论上可以认为其温飘系数(正温度系数)一致,其分压比不受影响,适当介入负温度系数的碳膜电阻则可在温度变化时改变分压比,起到对TL431的温度补偿作用。 4、输出电压避开10或10倍数的值,这样可降低档位极值附近的非线性影响,并通过4个基本电压组合得到10组输出电压。 需要说明的问题: 本机的温度变化测量是通过室温约14度和暖手鼠标垫升温至35度来实现的,所以并不严谨,优点是易于实现。 最初设计采用一只LM385-1.2作为低压基准,但一时未找到所以用了TL431,请注意这两个的采样端接法是不同的。 电路中采用了4只可调电位器,首先,大家都知道很多四位半的表,基准部分也用了可调电位器,所以这并非是完全不能用。 其次,为了尽可能降低可调电位器对稳定性带来的影响,电路设计为微调输出电压,采用3269型精密多圈电位器,可调行程 15圈,在本电路中,可调范围是±75mV。 电路见图 ![]() 元件选取: TL431; 选用优质德州原产铜脚,并用万用表二极管档简单初选,用手捏住看电压变化小的就行。在此基础上,选用温度变化小且为正温度系数的上机。 电阻;除标为“RT”的外,一律用5环精密金属膜电阻,阻值合适,则瓦数大点为佳。 每一回路中标“RT”的为负温度系数的碳膜电阻,实际调试中可能需要增减。 制作要点: 电路本身很简单,但调整过程比较烦复。 1、升压及恒流部分;由于高压管13001(可从废旧节能灯中取得)的放大倍数很小,射极电流中的Ib成分不能忽略。按图中数据,Ic=1.8mA,采样回路电流0.3mA,TL431实际工作电流约1.5mA,由于稳压二极管的接入,TL431的最大阴极电压约4V,最大功耗6mW,这样使得其温度特性更加稳定。 2、如前所述,回路中的可调电位器调整范围只有±75mV,这是为了降低其影响、便于精细调整而定,但也给固定采样电阻的匹配带来了麻烦,所以从实物图中可以看出,其上臂电阻可由3~4只电阻构成,实际上就是利用串、并来得到需要的精确阻值。上臂电阻每一欧姆对应约0.000305V,可据此增减阻值。 3、老化;本机必须要进行老化处理,也就是连续通电烤机。实测在连续通电48小时后才能基本稳定,在72小时以后才能做最终微调封固。 4、温度测试;在环境温度14度左右时,将整机放入加温鼠标垫中1小时以上,温度稳定在35度,此时马上取出测量,如果电压下降,表示过补偿,应减小RT的阻值,反之则加大。同时应保证总阻值不变,然后再老化、再测试。以上过程可能需要重复多次才能得到满意的结果。 实际上,本样机能达到;环境温度14度至35度,12.000V和24.000V、66.00V不变,48.000V降低0.001V变为47.999V。 至于本机的长期稳定性,还有待时间考证。 初选 ![]() ![]() ![]() ![]() ![]() ![]() 完工 ![]() 测试各档电压 ![]() ![]() ![]() ![]() ![]() ![]() ![]() ![]() ![]() ![]() ![]() |




































