|
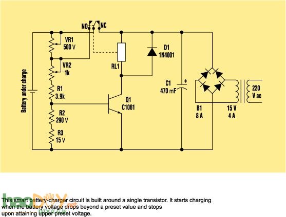
本文的自动电池充电器电路计划回收了一种电路,该电路可以称得上有史以来用单个晶体牵制造的最简朴的窗口较量器(见图)。当电压降落到预定值以下时它开始充电,当电压高出预定值时它遏制充电。 借助准确的可变电压电源,可在设定上下电压。正常毗连的继电器引线不接入15V dc电源,它阻止了电压传至电池引线。这样可以准确配置上下电压。但15 V dc的充电电源被毗连至电路。 起首,可变电压电源被牢靠在13.3 V dc——这是电池布满电的电压,并被毗连至电路的电池毗连点。VR1的滑块被调到附在电池正极的最顶端。VR2的滑块应向毗连至VR1的一端调理。该晶体管开始事变,分流VR1。然后,VR1的滑块向另一端调理,即毗连至VR2的一端。 此刻将测试电源电压设为11.8 V dc,这是电池耗尽时的电压。然后,调理VR2以使它让晶体管不再事变。测试电压再进步至13.3 V dc,调理VR1使晶体督事变。操作配置的上下电压,NC点被毗连至电路(15V dc充电电压)。此刻电池充电器已经停当了。
|






















