|
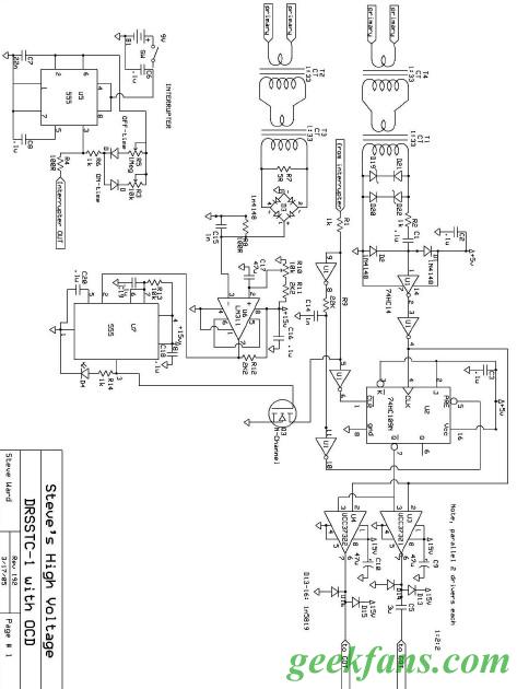
虽然尚有其余的步伐制作驱动,好比蚀刻,可是难度都较量高,保举步伐买套件。事实套件的价值不高,做起来很利便,质量也高于洞洞板。(此刻焊锡的价值很高假如用洞洞板偶然挥霍的焊锡,会是一个不小的数字)电路图倒是有许多首要的就是Steve Ward的
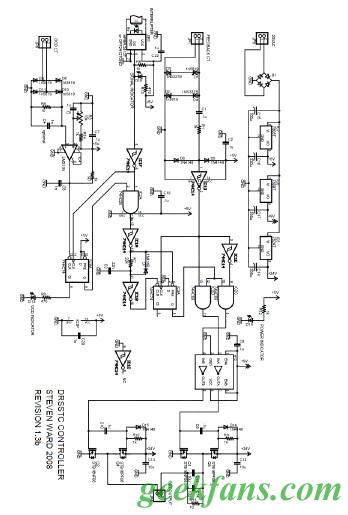
下图别离为DR-1和DR-4 可是UCC欠好买并且价值高赝品多,因此提议用TC4423 TC4421……..来取代。 对付DR-1题目较多好比,为了得到差异的电压必要用到稳压块等等……有很多要改造的处所,因此保举行使DR-4
对付这四个MOS ry7740kptv就回收了FDD8424来取代,这样就能大大地减小整个驱动板的体积
磁环互感器 1.信号互感器和过流掩护互感器的绕制: 一样平常回收1:33:33的绕制要领,即用两个磁环,低级为全桥输出导线穿过第一个磁环一匝,次级用细导线在第一个磁环上绕33匝引出,然后在第二个磁环上穿过一匝后短接,再用一根细导线在第二个磁环上绕33匝引出即可。磁环用铁氧体材质的。
2.GDT的绕制: 一样平常为1:1、16匝绕制,按照磁环巨细可以选择只用一个磁环、用两个磁环或四个磁环。按照开关管功率选择磁环巨细,25mm直径磁环得当下图的开关管。
绕制的图纸这里有三组绕线得当半桥,全桥用5组。
假如驱动力较大可是磁环太小就会呈现磁饱和,影响事变。这时就必要用更大的磁环,可是大的磁环较量贵,以是用几个小的磁环接在一路是挺好的。 绕线时可以行使这种线,一排有多种颜色。
功率电路是整个TC的功率输出部门,他的机能将直接影响到TC的输出功率。
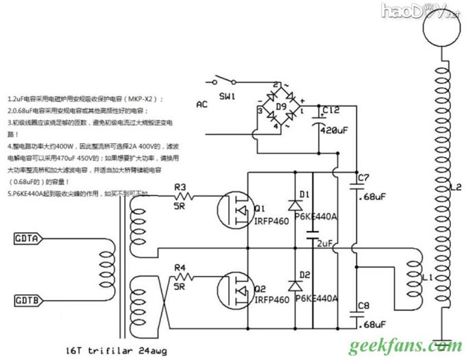
在特斯拉线圈运行时电气情形相等恶劣,功率管相等懦弱。个中管子的一种死法叫做三脚全通,每每12v的电源就可以破坏200v耐压的管子。这是为什么呢……万恶的漏感尖峰!!各类变压器城市有差异水平的漏感,能量没能乐成传输出去,便又返返来加载了本身身上【就是电感的特征:保持电流稳固,当开关封锁是时电流突变,为了担保电流不能突变因此会在刹时晋升电压。】以是,在桥式电路里要只管收缩毗连线的长度以镌汰线路中漏下的电感。 假如是廉价必然要行使粗铜线可能铜排对开关管举办毗连,这样可以担保毗连线能遭受足够大的电流。尤其特斯拉线圈这种对象,漏感尖峰长短常高的,这时辰我们就要用到一种非凡的稳压二极管:TVS瞬态克制二极管(D3,4,5,6)!这种管子可以再拟定电压下反向击穿点到偏向,应承刹时很大的电畅通过,一样平常的TVS二极管刹时功率都可以到达1KW【各类纷歧样,P6ke的就是600W..1.5ke的就是1500W】,这个图有一个题目就是必要在开关管的触发极和低压线上并联30V阁下的稳压二极管,防备驱动信号电压过高击穿开关管。以上全部的稳压管的电压都必需低于管子能遭受的最高电压,瞬态二极管要轻微高于输入电源电压,GDT的输出信号的稳压二极管要比节制极最高电压低(如20V的就有18V的稳压)。C3是接收电容,因为线路间是存在漫衍电感的,在高频开关状态下,轻易发生寄生振荡和尖峰电压,从而导致开关管破坏,这个电容是起到一个缓冲浸染因此必必要加。接收电容必要行使高Dv/dt的电容器,如941C等。如没有,可选购正品丰明(BM)电磁炉5uF MKP电容。
半桥的同理,不消表明。
因此假若有专用的PCB板就会简朴许多(科创论坛有贩卖套件由于配件差异价值20-60元)
灭弧: 灭弧电路根基上就是一个脉冲信号产生器,用来节制装置的放电不仅是DRSSTC,SSTC也是要用到灭弧的。 灭弧要分平凡灭弧和音乐灭弧,平凡灭弧的信号是牢靠的,而音乐灭弧的信号是跟着音频信号的改变而改变 音乐灭弧:音乐必要非凡制作的方波音乐,否则轻易破坏开关管。
这个图必要修改:只用一个三极管放大就够了,用9018就行。
R17是调理占空比的。
平凡灭弧:个中的两个二极管可以行使5819等速率快的二极管。接下来就是最后的组装了
1.毗连好全部电路,确保线路毗连无误; 2.牢靠好全部部件,封锁全部开关,毗毗邻地线和供电线; 3.打开驱动板电源,此时应只有绿色电源灯点亮; 4.调解驱动板上的R电位器,调解过流掩护阀值。要领为:丈量LM311 3脚电压,假设阀值定为220A,过流掩护互感器是凭证1:33:33绕制,则调解RP1使3脚电压=220/(33*33)*10≈2V。 5.打开灭弧节制器,此时驱动板上黄色灭弧信号指示灯闪动。如必要音乐灭弧,则先将音源接至灭弧节制器,打开音源,调理音源音量,直到灭弧信号指示灯随音乐频率闪动; 6.将灭弧节制器的ontime和bps调至最小,封锁灭弧节制器; 7.接通全桥电源,打开灭弧节制器,此时会有电弧从放电端喷出; 8.封锁灭弧节制器,割断全桥电源,调解低级谐振频率,使其放电结果最佳(必要重复的开关DRSSTC,万万不要在DRSSTC事变时去调理!); 9.谐振调理好后,逐步加大ontime,直到赤色过流掩护指示灯点亮,此时略微减小ontime,使红灯熄灭,然后调理bps到恰当位置(按照本身必要),此时DRSSTC进入正常事变状态,调试完毕! 10.整个调试进程中必然要遵循断电后操纵,榨取带电调理任何部件!DRSSTC开机次序为驱动=》全桥=》灭弧,关机次序相反。 (责任编辑:admin) |








































