最好的电子音响科技diy制作网站

haoDIY_音响电子电脑科技DIY小制作发明

当前位置: 主页 > 音响DIY > 胆机DIY > 后级DIY >

大戲之王6sn7推6L6GC电子管推挽胆机

时间:2012-09-10 20:38来源:www.ys-audio.com 作者:徐日生 点击:
300B單支功放推 A7 ,歌聲之美使人一世難忘,但演譯廣東大戲仍欠缺味道,6L6GC 四極集朿管,以三極接法,重播人聲嘹亮而氣量充沛,露盡歌者感情,其醞醇透徹的聲底,一曲難忘令人惦念心儀。 記憶當年是如此形容 6L6GC三極接法之 Monoblock 功放:演譯大戲帶給
300B單支功放推 A7 ,歌聲之美使人一世難忘,但演譯廣東大戲仍欠缺味道,6L6GC 四極集朿管,以三極接法,重播人聲嘹亮而氣量充沛,露盡歌者感情,其醞醇透徹的聲底,一曲難忘令人惦念心儀。

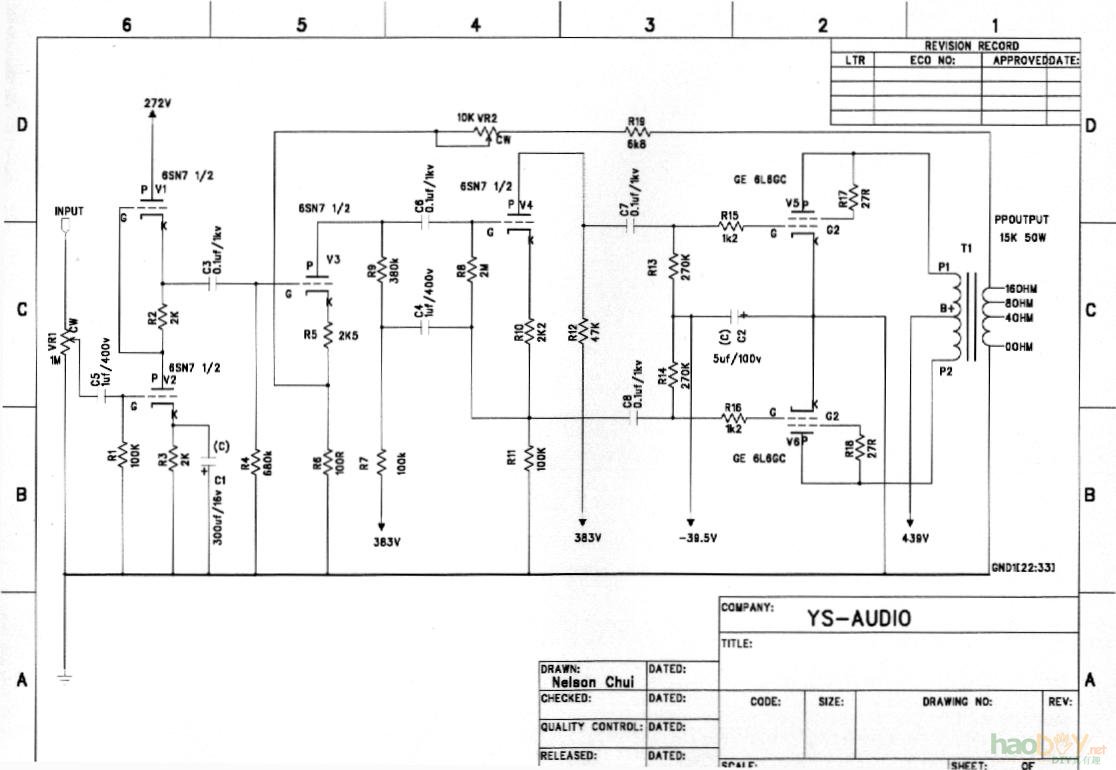
記憶當年是如此形容 6L6GC三極接法之 Monoblock 功放:演譯大戲帶給清徹惋醇之歌聲,純真無染的現場感受,尤以老倌感情傳達輕碰,其纖微濃厚的感覺,可以話世上難求極品。這機是 89 年產品,資料如下:

大戲之王6sn7推6L6GC电子管推挽胆机

大戲之王6sn7推6L6GC电子管推挽胆机


從線路圖中,看出當年找零件的情況,當時校聲花很多時間,十一年了很想將它重新再造
大戲之王6sn7推6L6GC电子管推挽胆机 (责任编辑:admin)
织梦二维码生成器
顶一下
(0)
0%
踩一下
(0)
0%
------分隔线----------------------------
发表评论
请自觉遵守互联网相关的政策法规,严禁发布色情、暴力、反动的言论。
评价:
表情:
用户名: 验证码:点击我更换图片
栏目列表
推荐内容