|
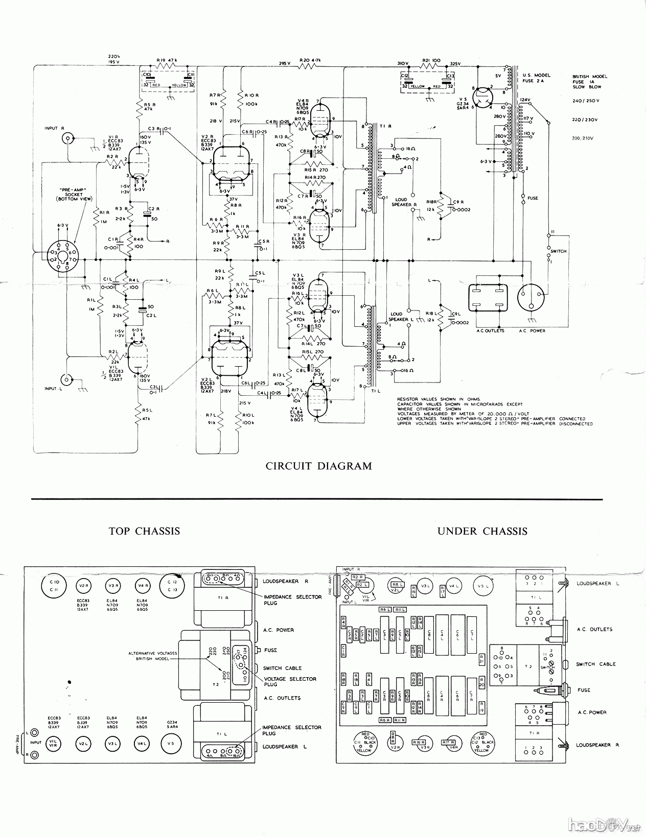
网际搜到的LEAK ST20线路~ 考虑了很久,很喜欢这个机箱的布局和造型,在材料网买了机箱及套牛~
机箱內高才4.5CM,制作搭棚是有点难度~搞了5天。。。
终于搞掂开声,比上一台小胡子工程6P14 PP的线路好声多了~
我最喜欢这对表头及这个上盖(罩)~![]() 家里有小朋友的,有这个上盖就保险多了哇~
电子管: el84是otk炮灰管,ecc83是沃尔沃的 前面的两个表头好漂亮呀, 请问楼主是怎么接上去的? 答: 左边的是市电显示表,串1N4007再串120K便行,右边的是电流显示表,我随便并了一只1欧的电阳串在高压直流电源中充当装饰而已~ (责任编辑:admin) |












我最喜欢这对表头及这个上盖(罩)~





























