|
概述
一个优秀的功放电路应满足下述要求:保真度高、频响宽、工作稳定、输出功率不低于不低于10瓦、容易买到所需零件。
今次介绍的立体声超线性功率放大器线路(图1是其中之一边声道) 均可满足上述要求,经笔者实验此线路后证明这功放音色优美,失真低及工作稳定,同时因线路简单,不需复杂的调较手续,加上所用的零件很易在市面上购到,是一个极适合业余胆机制作者制作的胆机线路。原线路是于一本英国音响杂志上发表,笔者将该电路作以下之修改:
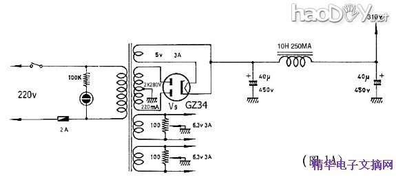
1. 电源部份由原来的晶体管整流改为真空管整流(图1A),此举可增加"胆味"及有助延长真空管之寿命。
2. 滤波电路改为丌形CLC滤波,此举可减低直流高压纹波,有利减低交流声。
3. 于输入部份加入左右声道独立音量控制器,此举有助匹配不同输出电平之前级讯号及调校左右声道的平衡。


线路之构成
由前级输入的讯号,经音量控制器输入五极管EF86(V1)之栅极放大,这裹V1改为三极接法以提高传真度。R3提供适度的负回输进一步提高此级传真度,与屏极电阻R5并连的R6及C3,将音频以外之高频作适当的衰减,以提高V1增益之稳定度;讯号经V1放大后进入ECC83(V2)作长尾式倒相,采用长尾式倒相的优点是增益高及低失真,确保有足够推动力,推动由EL84(V3)及(V4)组成的强放级。强放级采用超线性推挽电路,此级偏压采用自给偏压方式,其优点是工作稳定及不用繁复的调较工作,又因为每个强放管都采用独立偏压电路,所以对强放管的配对问题比较宽松。自给偏压另一优点是喜欢玩胆者于换胆时不需重新调校偏压,接于输出变压器超线性抽头的电阻R19及R20,是稳定强放管的帘栅电路。R15及R16是防止强放级输入产生自激振荡,R21作用是防止,因漏接或松脱扬声器接线引致输出变压器初级烧毁。全机的总回输电路由接于输出变压器次级,与V1阴极间C2及R4组成,C2及R4的数值,视输出变压器次级所接的扬声器阻抗而定(见线路图上的附表)。
零件选用
一般接于栅极的电阻可用1/2W,接于屏极的电阻可用1W,输入管V1阴极电阻用1/2W,倒相管V2阴极电阻需用1W;强放管V3及V4阴极电阻需用2W,帘栅电阻可用1W,R21可用1/2W;C4耐压值要有200V,R11及R12阻值要尽量相同;V2之左右特性需尽量对称,最好于购管时请胆店用试胆机代为测试。输出变压器用初级有超线性抽头P-P 8K15W型号,焊接电路前最好先用数字万用表量度每个零件数值,数值偏离太大的零件便需更替,如经济条件许可的话,C7及C8最好选用质素较佳品种,此两交连电容对音质影响很大,重要程度谨次于输出变压器。

机身结构
整部机装于一个 9 x 14 x 2 吋的直式2MM厚铝片机身上,完成后的外观(如图2),讯号输入端位于机身右侧的前方,此因,机身后方位置已没有空位及于此位置输入,讯号线输入至V1可以较短,从而可以减低杂音。机身顶部近整流管及强放管位置要加上散热气孔,机身底部亦要加上散热气孔,笔者认为自作派人士必需注意机身底部要用板盖好,此举可防止使用者不慎触电及可使用脚钉乘托整机(使用脚钉可将音色改善)。
接线
本机采用搭棚方式接线,先接灯丝,跟着接电源部份、整流、滤波,然后由强放级接至输入级。灯丝线需要绞合,输入线要用隔离线及一端落地,全机落地用一点落地方式。每级的栅、阴极电阻及傍路电容要同一点落地,每级屏极电阻与下一级的交连电容尽量作垂直摆位,同级之屏栅零件要尽量拉远距离,最好屏栅零件中间有落地点隔开,全机总落地点取近V1之输入地点为宜,上述安排可有效减低交流声。
试音效果
笔者试音用的硬件如下:
CD机-PHILIPS CD72MKII
译码器-MONARCHY AUDIO DELUX 18
前级-科宝早期版之仿MARANTZ 7
扬声器-CANTON KARAT 300
讯号线-MONSTER讯号线
CD机输出与前级间加上MATISSE THE CONDUCTOR 噪声过滤器及 MUSICAL FIDELITY X10-D真空管缓冲器
笔者之功放所用之真空管如下:
EF86 (= 6267) - 60年代MADZA
ECC83 (=12AX7) - 60年代东芝长屏
EL84 (=6BQ5) - 80年代SOVTEK
GZ34 (=5AR4) - 60年代AMPEREX
试音用之软件如下:
蔡琴老歌、林子祥男儿当自强、大红蕃 ALWAYS IN MY HEART、JAZZ AT THE PAWN SHOP、 EAGLES HOTEL CALIFORNIA、 WILLIAM TELL OVERTURE
此功放配合上述硬件所形做出来之音效非常优美动听,音色不觉粗糙,高低频去得尽,中音醇厚,尤其是听WILLIAM TELL OVERTURE其中一段劲爆乐曲时,感觉雄浑有力,这刻所感受到自己所付出制作此功放之努力及时间是没有白费的。
试机步骤
线路焊接好后先不要急于试机。首先应再三小心核对线路,确定焊接全对后,用两支8奥姆电阻代替扬声器负荷接于输出端,并且先不要接上负回输电路C2R4而只插上整流管,通电后量度灯丝电压及输出之B+高压是否正常,如有不正常的话便需关机检查何处出错。灯丝电压及输出之B+高压正常后,仍需关机再插上两强放管量度帘栅及屏极电压,一切正常后关机再一并插上V1及V2再通电量,度V1及V2之各极电压;一切正常后便关机接上一个声道之负回输电路,并将两声道输出变压器次级8欧电阻改为扬声器负载,再通电看看有没有啸叫,如有啸叫,便需将输出变压器初级接于V3及V4之两组屏极及帘栅极的接线对调,如此声道无问题,则可将另一声道之负回输电路作同样处理及测试,当两声道接上负回输电路正常后便可进行试音
(责任编辑:admin) |