最好的电子音响科技diy制作网站

haoDIY_音响电子电脑科技DIY小制作发明

当前位置: 主页 > 音响DIY > 胆机DIY > 后级DIY >

807三极玩法和EL156电子管胆机功放的制作过程~分享~交流(7)

时间:2013-04-19 17:13来源:www.crystalradio.cn 作者:江门李安 点击:
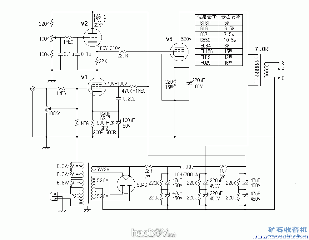
102_0471.jpg (64.2 KB, 下载次数: 41) 以下是最后电路用胆管苏联6*8~6SN7WGTA~RCA807~和内部元件布局的几幅图片 102_0450.jpg (111.93 KB, 下载次数: 11) 102_0457.jpg (76.1 KB, 下载次数: 15) 102_0458.jpg (79.
807三极玩法和EL156电子管胆机功放的制作过程~分享~交流

 

102_0471.jpg (64.2 KB, 下载次数: 41)

 

807三极玩法和EL156电子管胆机功放的制作过程~分享~交流


以下是最后电路用胆管苏联6*8~6SN7WGTA~RCA807~和内部元件布局的几幅图片

102_0450.jpg (111.93 KB, 下载次数: 11)

 

807三极玩法和EL156电子管胆机功放的制作过程~分享~交流

 

102_0457.jpg (76.1 KB, 下载次数: 15)

 

807三极玩法和EL156电子管胆机功放的制作过程~分享~交流

 

102_0458.jpg (79.82 KB, 下载次数: 13)

 

807三极玩法和EL156电子管胆机功放的制作过程~分享~交流

 

102_0460.jpg  (责任编辑:admin)

织梦二维码生成器
顶一下
(5)
45.5%
踩一下
(6)
54.5%
------分隔线----------------------------
发表评论
请自觉遵守互联网相关的政策法规,严禁发布色情、暴力、反动的言论。
评价:
表情:
用户名: 验证码:点击我更换图片
栏目列表
推荐内容