|
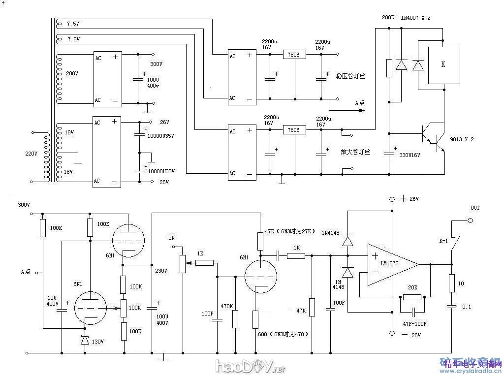
我认为有时简单并不代表粗糙,简单的结构往往更能带来不同的效果.这电路就简单到了极点.电子管共阴放大中甚至去掉了阴极电容,不过由于阴极电阻的副反馈使电路的线性得以提高.虽然整机电压增益比较小,但对于CD机接近2V的峰值输出来说已经够了,更不用说能直接推动耳机的MP3了。后级的ODB放大最大限度的减少了晶体管带来的音染.没有采用分立元件而是采用集成电路,是为了利用IC近乎无限大的开环放大倍数,让输出电压丝毫不差的跟着电子管走,争取将这一级的音染降为O.当然这么简单的电路却搞了高压稳压和灯丝直流稳压供电.事实证明这点麻烦是值得的.高压稳压效果完全超过了扼流圈,再加上灯丝直流稳压供电,音箱中听不到一丝的交流声.就把耳朵贴在喇叭上也没用.当然自己的东西自己肯定说好.不过这么简单的结构你还能要求什么呢.你还能再省掉什么呢.好了不多说了.大家看图吧.另此电路并未完全定型.欢迎大家建议修改.
另,我的功放接线柱有创意吧.也是镀金的哦. ![]() ![]() ![]() ![]() (责任编辑:admin) |































