最好的电子音响科技diy制作网站

haoDIY_音响电子电脑科技DIY小制作发明

当前位置: 主页 > 音响DIY > 胆机DIY > 后级DIY >

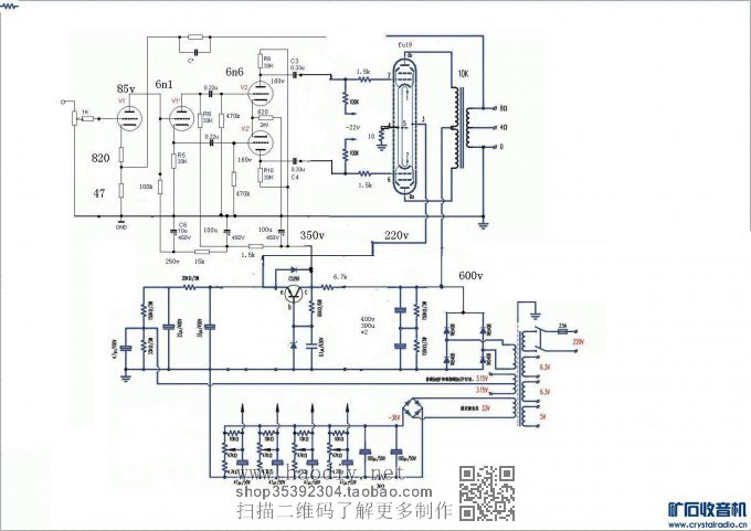
没有最后定形的FU-19推挽

时间:2017-09-18 20:54来源:www.crystalradio.cn 作者:lck88lck 点击:
没有最后定形的FU-19推挽 ,矿石收音机论坛
把没有完工的FU-19推挽也发上来,都是用垃圾级材料做的,调试中,想不到FU-19够大吃的!电源严重不足!牛芯差些得换掉
没有最后定形的FU-19推挽
没有最后定形的FU-19推挽
没有最后定形的FU-19推挽
没有最后定形的FU-19推挽
够乱的,盘丝洞没有最后定形的FU-19推挽 
没有最后定形的FU-19推挽
电源, 盘丝洞
 

FU-19推挽.JPG (155.33 KB, 下载次数: 41)

 

没有最后定形的FU-19推挽

 

(责任编辑:admin)
织梦二维码生成器
顶一下
(0)
0%
踩一下
(0)
0%
相关文章
------分隔线----------------------------
发表评论
请自觉遵守互联网相关的政策法规,严禁发布色情、暴力、反动的言论。
评价:
表情:
用户名: 验证码:点击我更换图片
栏目列表
推荐内容