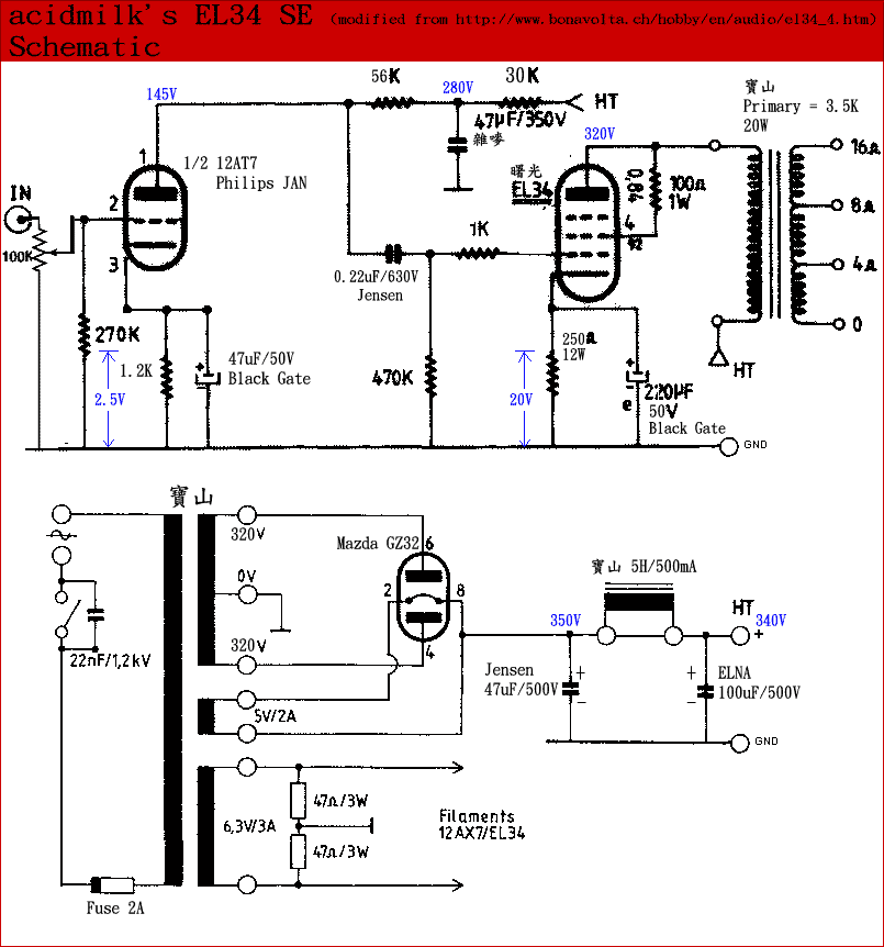
| 电源牛、输出牛都是香港宝山出品,电源牛港币350元,输出牛540元一对,5H/500mA阻流圈120元,香港来说是很低价的货品,口碑也是一般,小弟除了梁氏的牛牛外还没有试过其它牛,这些牛对我来说表现还不错,高、低都很好。 整机外观: 机壳 电源牛 制作过程1 制作过程2 内部接线,有点乱,不过信噪比还可以 换上kt88后的样子,感觉不好听,我没有调整,就这样插上去试,不好听可能是因为工作电压不适合 KT88,不过我对 KT88 的印象是比 EL34 来得慢,而且可能因为低频比较饱满的关系,高频比 EL34 来得含蓄,而我就比较喜欢 EL34 的取向。 我用的箱子,这对 Klipsch Heresy 箱子是从eBay拍卖来的,因为香港几乎找不到人用,亦没有二手,买之前都是从洋人讨论区得知它的声音取向,当然再加上自己的幻想啦,好彩回来后没有失望。94db很易推,现在我有一台Motorola 单端 EL84 三极接法,推它出来的人声、吹口质感很好。 我上一台胆机是梁氏的KT88推挽,也可以兼容EL34。比起那一台推挽,现在这台单端的声音还更鲜明,尤其是中高频的开朗感觉,比起那一台好得多。我也试过并联管子,12AX7 及 12AT7 都用过来并联,但中高频总是较化不开,半支 12AX7 我也试过,但频宽不太够,用 12AT7 就不错。我也问过一些洋人意见,有人建议用半支 6922 已经足够推动 EL34,而且频宽会更阔,但我还未试,因为感觉 12AT7 已经很不错。 我有一台 EL84 单端三极是用半支 6922 推动,感觉也很好。 电路图,参考网上的电路,我作了一些简单的修改,图上标的为我实测的电压值。 这是我目前的EL34单端三极接法的工作点,看图好象还算是理想,如果要上到400V以上反而不太好,如有错误请指教 (责任编辑:admin) | 



































