| 
	摘自网络,有PCB图,仿制比较简单(电路图点击可放大) 
		 
		 
		 
		 
		 
		 
		 
		 
		 
		 
		 
		 
		 
		 | 
| 
	摘自网络,有PCB图,仿制比较简单(电路图点击可放大) 
		 
		 
		 
		 
		 
		 
		 
		 
		 
		 
		 
		 
		 
		 | 
手里有几只6J1和6N3,没事就寻思着制作一台胆前级玩玩,以前搭过一台6N3的前级,感觉...
某天整顿货色时发现它呆在一个角落里, 预备摈弃时突发灵感, 怎样不应用它做胆前级? 用...
这台是2011年初diy的6n8p音调前级,之前做了一台el34推挽低音不足,才制作这台6n8p音...
在这里SHOW一SHOW,不是因为认为自己水平高,想是和喜欢直热古董胆的同志们一起分享DI...
想想自己玩音响几十年,由于条件有限,很多底盘都自己设计,因陋就简,既不好看、外观...
这个是日本人做的胆缓冲,对比教而言 音乐传真的 那款缓冲器简直是玩具了...
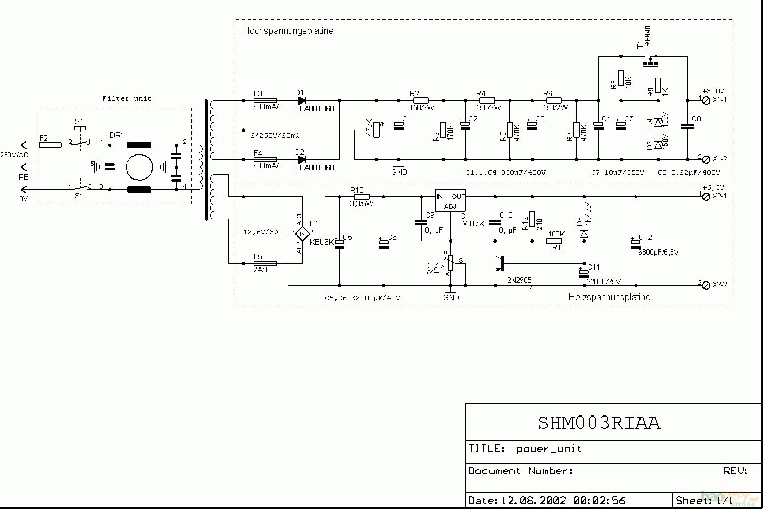
 国外SHM03 ECC83RIAA前级
							更新:2012-09-10
							国外SHM03 ECC83RIAA前级
							更新:2012-09-10
						 跟潮流,装经典JADIS JP200(12ax
							更新:2012-10-19
							跟潮流,装经典JADIS JP200(12ax
							更新:2012-10-19
						 古胆情绪,向往柔软甜美的声音—
							更新:2013-07-21
							古胆情绪,向往柔软甜美的声音—
							更新:2013-07-21
						 试验性的做了一个12V车载开关电
							更新:2012-10-20
							试验性的做了一个12V车载开关电
							更新:2012-10-20