最好的电子音响科技diy制作网站

haoDIY_音响电子电脑科技DIY小制作发明

当前位置: 主页 > 电子DIY > 综合DIY >

制作安全节能消磁器电路改造简法

时间:2013-01-14 10:50来源:网络 作者:网络整理 点击:
免费提供各种电子制作文章、资料、图纸

有文章对电视机显像管消磁电路提出“消磁成果并不必要每次开机都用,偶然很长时刻也可不消”,并提议为消磁电路设个手动开关。

笔者以为因为空间存在杂散磁场及地磁影响,彩电随时随地会蒙受到磁场的污染而呈现荧屏磁化。因此自动消磁必不行少,但对消磁电路举办改造确有须要。

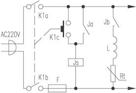
在此推介一例颇有实效的安详节能消磁简法,见下图。

将交换电源开关K1改用带触发副开关的型号,并增设一只负载触点5~10A的15~60s延时开释型时刻继电器Js。

闭合K1时,K1a、K1b接通,为整机供电。因为KIC同步刹时闭合,使Js触发吸合,触点闭合。触点Ja的闭合担保了KIC复位后Js的自锁;Jb的闭合为消磁线圈L和PTC消磁热敏电阻Rt供电,对CRT举办消磁。整个消磁进程由Js的延时开释时刻而定,延时时刻一到,Js失电,触点Ja与Jb开释成常开状态,使Js、L与Rt所有彻底地离开电路,既到达了消磁清屏的要求,又实现了节能、安详的目标。

因为只有在闭合交换电源开关时K1才气举办一次性的刹时消磁,而在待机状态下实现二次开机则能有用地拒绝一再启动消磁电路,因此比东芝、长虹彩电的CPU驱动消磁道理更公道。

该例电路改良的利益有:

1. 仅在消磁时耗电,节省电能。
2. 消磁竣事后PTC无温升,并减低了机内温度。
3. 镌汰了交变的电磁滋扰,屏显色彩纯正清洁。
4. 消磁竣事后消磁元器件彻底离开电路,进步了整机的安详性和靠得住性。

制作安全节能消磁器电路改造简法

(责任编辑:admin)
织梦二维码生成器
顶一下
(1)
100%
踩一下
(0)
0%
相关文章
------分隔线----------------------------
发表评论
请自觉遵守互联网相关的政策法规,严禁发布色情、暴力、反动的言论。
评价:
表情:
用户名: 验证码:点击我更换图片
栏目列表
推荐内容