| 
 | 
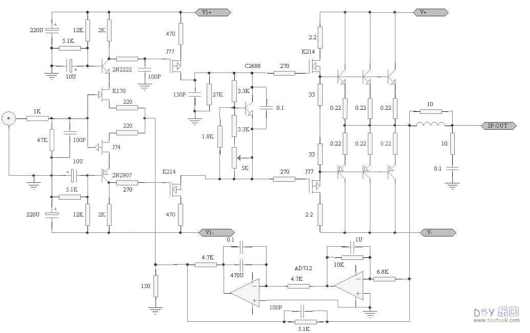
用三个常见原件自制简单功放板。...
3年前作的,线比较乱 这个版本的1875我做过中最好听的版本,现在换了ecc88,爽,我还...
先来一张2年前手工搭棚的机机 对称的4声道0DB跟随器,作为桥接输出用的 这是胆电压放...
电子管诞生于1904年至今已有104年的历史了,随着60年代末期晶体管的异军突起,音频功率...
全频均衡,有一点甜味...
楼主的破有源音箱坏了,(3元一对在地摊上买的)。如图, 没有什么效果可言,只是能发...
 单电源全平衡TDA2030A功放制作. 
							更新:2017-08-04
							单电源全平衡TDA2030A功放制作. 
							更新:2017-08-04
						 用LM1875和饼干盒DIY功放
							更新:2013-01-30
							用LM1875和饼干盒DIY功放
							更新:2013-01-30
						 超级小型化装甲LM3886GC功放制作
							更新:2012-09-14
							超级小型化装甲LM3886GC功放制作
							更新:2012-09-14
						 全手工的hood jlh 1969!!!已
							更新:2012-09-15
							全手工的hood jlh 1969!!!已
							更新:2012-09-15