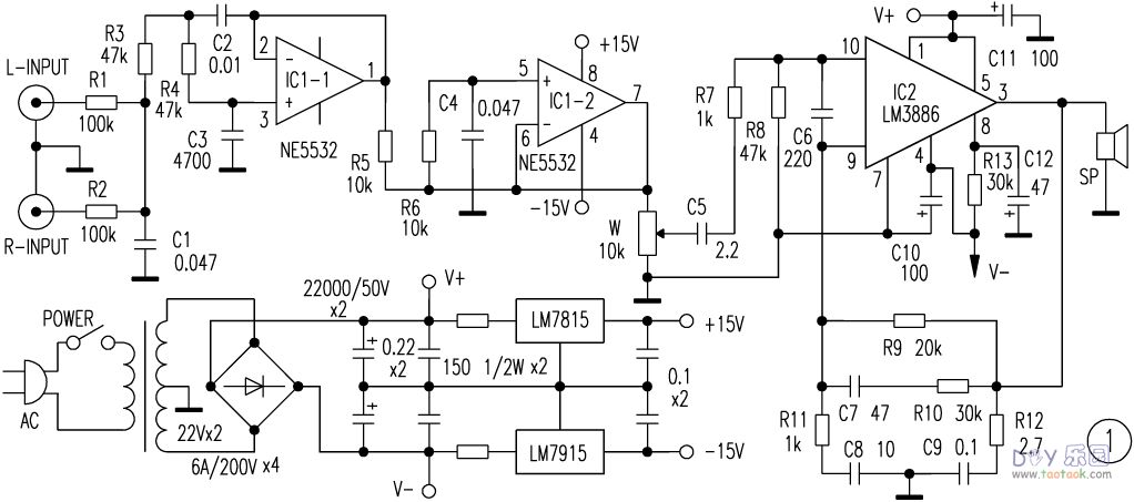
| NE5532+LM3886T低音炮功放电路   www.ShareDIY.net  (责任编辑:admin) | 
用三个常见原件自制简单功放板。...
3年前作的,线比较乱 这个版本的1875我做过中最好听的版本,现在换了ecc88,爽,我还...
先来一张2年前手工搭棚的机机 对称的4声道0DB跟随器,作为桥接输出用的 这是胆电压放...
电子管诞生于1904年至今已有104年的历史了,随着60年代末期晶体管的异军突起,音频功率...
全频均衡,有一点甜味...
楼主的破有源音箱坏了,(3元一对在地摊上买的)。如图, 没有什么效果可言,只是能发...
 用TDA2030做的一个双电源30W功放
							更新:2013-02-21
							用TDA2030做的一个双电源30W功放
							更新:2013-02-21
						 新瓶装陈酒—再战胆石功放 参赛
							更新:2017-05-12
							新瓶装陈酒—再战胆石功放 参赛
							更新:2017-05-12
						 KRELL-- KSA50MK2 进行中...
							更新:2012-09-13
							KRELL-- KSA50MK2 进行中...
							更新:2012-09-13
						 LM3886+NE5532带喇叭保护2.0功放
							更新:2013-01-15
							LM3886+NE5532带喇叭保护2.0功放
							更新:2013-01-15