前言
这个SUMO NINE仿造计划,从筹备到完成花了差不多一年的时间,原因一方面是今年无论公事或私事都比较繁忙,更主要的是因为自己的能力实在是有限,以至拖了那么长的时间才得以完成!!
SUMO NINE仿造过程中遇到了不少困难,既有技术方面也有其它方面的,可喜的是都得到了坛上热心大侠的点拨与帮助,使计划得以顺利推进并完成,特别是Jiahuayan 贾兄赠送了4个试验用的MJ11032,还代付了邮资,借此再次表示衷心的感谢!!
主要规格指标
电路选自:SUMO NINE;
输出功率:约30W;
失真度:待测;
体积:非标.
...........
按照国际惯例,先上几张选美图.....欢迎拍砖(因为家里的小别墅还差个围墙没建.....)








第一章:电路板制作
之前在论坛上学习了热转印的制作方法,但动手做过几次后觉得不怎么满意,主要是因为没有使用专门的作图软件画图,使用WINDOWS的画图软件做出来的图线条较粗,有锯齿纹. 尽管如此,还是将这个还没完全学上手的技能应用到SUMO NINE的仿造中,权当一次实践机会.....
去年的年底无意间让我碰到了原机的散热器,所以这个电路板根据原机的散热器来制作.见图:

转印完成后的效果

腐蚀完成后的效果

涂抹松香液后的效果

安装功率管对孔

安装功率管对孔

OK!!主PCB制作完成!!

试验用的IC是塑封的LF412CN.下来也计划找个金封的试试,看声音能有多少提升
原机使用的功率管是三肯2SC1831,已经停产多时难以找到,这次仿造选用的是功率更大的MJ11032
吃过饭上公园爬山散步顺便检查一下工程进度.....回来继续上图:
制作稳压电源PCB.....


第二章:安装与调试
1、安装
虽然手上有原机的散热器,但由于没有找到原机的金封管安装管座,所以只能采用雍根焊接法,将元件焊接在PCB的铜箔面.....其实这种焊接方法是我,相信也是很多坛友比较乐于使用的,因为调试起来焊拆元件最为方便!! 

试验用的LF412CN

电路焊接ING......



焊接完成的电路板


多功率管并联的意义在于分担工作电流.这个SUMO电路确实够环保节约的,可以说是真正意义上的环保甲类功放.
每声道是用10个功率管,之前因为管子没备足所以先装了8个......
哈哈欢迎老牛版主光临指导!!
这个“螃蟹”样子确实不怎么样,但电路设计真的很特别很有新意!!
外观做成这个样子是不得以的办法,因为金工方面能够动用的资源实在是太少了!! 
2、电源
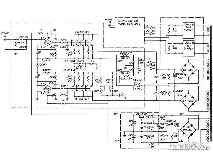
纵观整个SUMO电路,信号放大部分可以说比较简单,但电源部分就相对复杂。全机总共需要4组独立的主电源和起码一组供运放使用的+--20V稳压电源,这就要求所用的电源变压器首先要有足够的输出绕组才能胜任。偶然的机会让我找到了一群基本符合电路要求的牛,使电源的问题迎刃而解!!! 
根据资料介绍,SUMO NINE为甲类设计,按照常规思维,本机使用的电源变压器必须具有足够大的输出功率。为了充分满足这个需要,决定每声道分别使用一个电源变压器,同时把剩余的两组大电流绕组采取并联的方式以增大输出电流。这样一来就需要对牛牛进行一个小小的手术........
即将上岗的牛牛

手术ING.....

改造完成

手术非常简单:开刀破膛之后,找到目的绕组,然后将中心抽头分开,拔掉多余的引出线,再将同名端焊接在一起就OK了!!!
(责任编辑:admin) |