在玩电脑游戏的时候老是觉得低音不够猛(只有两只音箱),之后就想做低音炮,但低音炮做好不容易,自己又没有经验。所以实验了一个小炮来积累做炮的经验。虽然大口径的喇叭才有震撼力,但是花费巨大,又影响别人。所以还是做个小的,那怕不是“炮”,至少也是“低音增强器吧”。 这个功放板是低通电路,功放电路,保护电路一体的。同时也合适TDA2030A![]() 做PCB过程我就不说了,我是用传统画法来做的,也就是用油漆来画,在这里加了“光哥”的经验: 先用记号笔画(错了可用天那水改),然后再用油漆再覆盖记号笔画,最后泡三氧化二铁。所用的 电阻:铜脚粗脚金属膜,输入电容:威马,继电器:欧姆龙,LM1875:滤浪1875,滤波电容:ELNA普通品,运放:LM833,电位器:松下和拆机日本ALPS,无极电容:CBB和MKP,牛:小日本拆机E牛 做好了的板 ![]() 板做好后当然要上一层锡了,可防铜氧化和增加导电。 这个框是加强PCB的强度,虽然没多大用处,但还是防PCB板变湾。 ![]() 本来可以上得很平,但没有吸锡线了,所以马马虎虎就这样了。 ![]() ![]()
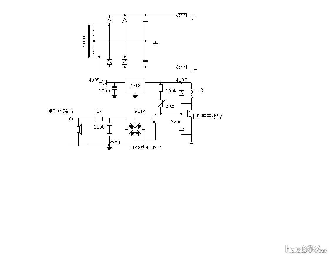
焊接中 ![]() ![]() ![]() 反馈电阻在这里,虽然不好看,但是布线是最短的 ![]() 终于完工了,本来音量电位器也要用线引出来的,但是是试听,所以就焊在板上了 ![]() 低通电路,频率可调,是从网上下载的。用了LM833运放,这种运放不比S5532差,且假的少。 ![]() 保护电路,调试时最费时间了,试了好久,主要是中功率三极管和偏置电阻选的不合适,开关机延时2秒钟。直流检测只用了一节1.5V的电池试,测到直流电1秒种左右动作,可能两个串接的电容过大:220U,网上电路大多都是220U。 ![]() 后面图,这个板同时也合适用TDA2030A,只要焊上两只二极管就行了,也就是板上1875旁边空的两个二极管,不用也可。 ![]() 小日本拆机E牛,80W AC双18V ![]() 试机中 ![]() 试听:断开低通电路,然后通电,2秒后继电器吸合,听3寸高灵敏的炮灰喇叭无交流声等噪音,电路基本成功。接上低通试听,一通电喇叭就有一点点低频声,接上音源,不得了!喇叭的纸盘震动幅度很大,喇叭发出的低频也算是比效纯的低音,还可调频率。 总的来说电路还算成功,无其它噪音,因为还没有箱,所以听起来不够震撼,以后换个大口径的喇叭来试听。 这个电路主要靠后面10K电位器来调低频的。过段时间,我又会实验120Hz的固定低频电路,也是网上下载的 以前在学校时,同学用透明胶带粘到PCB板上,然后用刀刻,再炮三氧化二铁,也很快。 是贴电路图?还是下面这张 ![]() 低通电路.JPG (42.65 KB) ![]() 保护电路.JPG (45.67 KB) ![]() (责任编辑:admin) |


这个功放板是低通电路,功放电路,保护电路一体的。同时也合适TDA2030A
先用记号笔画(错了可用天那水改),然后再用油漆再覆盖记号笔画,最后泡三氧化二铁。









































