最好的电子音响科技diy制作网站

haoDIY_音响电子电脑科技DIY小制作发明

当前位置: 主页 > 音响DIY > 功放DIY > 后级DIY >

双单运放推场效应管10W甲类DC放大器

时间:2012-09-28 13:31来源:hifidiy.net论坛 作者:sunmin19620571 点击:
运放推场管的小甲,若干年前装过。记得一共装了四、五台的样子,其中一台还改成了耳放,都被朋友拿走了。 该机是鬼子的电路,还参赛得过奖。电路是直流放大,呻吟的走向基本取决与选用的运放;而且中点很稳定,调 试也简单,非常适合初烧 由于滤波电容的高度
双单运放推场效应管10W甲类DC放大器运放推场管的小甲,若干年前装过。记得一共装了四、五台的样子,其中一台还改成了耳放,都被朋友拿走了。
       双单运放推场效应管10W甲类DC放大器

该机是鬼子的电路,还参赛得过奖。电路是直流放大,呻吟的走向基本取决与选用的运放;而且中点很稳定,调
试也简单,非常适合初烧


由于滤波电容的高度问题停工了几天,
   朋友说小体积的电容他那儿有,但要半个月之后才能给到我。趁着这个空档,将本来打算用来与新机对比的双单运放直推场管10W小甲的装机计划提前了。好在这电路以前做过多次,布线什么的资料都在
   电脑里存着呢,所以进度很快。
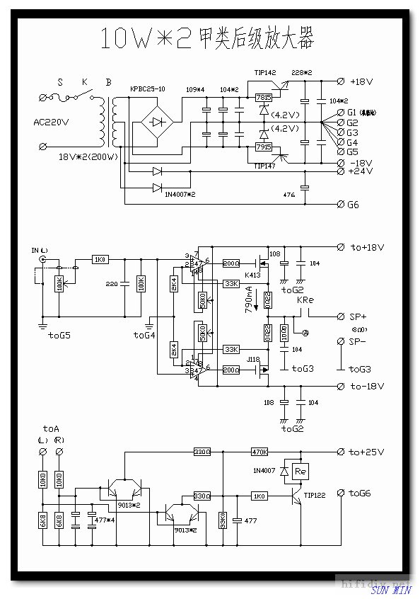
       整机双单声道结构,除了电源线,所有的电路都是每声道一份。
   电源部分:
               
双单运放推场效应管10W甲类DC放大器


     放大板:   
               
双单运放推场效应管10W甲类DC放大器

双单运放推场效应管10W甲类DC放大器

双单运放推场效应管10W甲类DC放大器

双单运放推场效应管10W甲类DC放大器

双单运放推场效应管10W甲类DC放大器

双单运放推场效应管10W甲类DC放大器


原来的图是DC放大的,调试中发现输入端接地和开路会导致输出直流电压有一百多毫伏的变化(静态电流不变),还是老老实实地接上输入电容,一切OK!


为了确保扬声器的安全,保护电路是万万不能缺的!
                       

双单运放推场效应管10W甲类DC放大器

我个人比较偏爱小甲。甲类电路相对来说是比较容易做的,它的特性决定了在线路上不用像其它类型电路那样需要采用复杂的手段和措施来尽量消除或弥补先天的缺陷,所以基本线路特别简单,调校也比较容易;但同时甲类电路对元器件和散热又有很高的要求,还不低碳。小甲就属于即保留了甲机的优点又减低了对器件的要求,能耗方面也可以令人接受的一种两全的选择。一般OP+输出的小甲都在10W或以下,除非用到高压OP,因此工作电压大多在±18V之内。自己DIY着玩的东西我一般都用OO板,到时电路和布线可以发给甲兄过目,PCB板就只能说声抱歉啦!双单运放推场效应管10W甲类DC放大器

接线、装箱如期完成,JJ出声了。声音表现完全在意料之中,谈不上有多出彩,但也绝不令人失望。
                           
双单运放推场效应管10W甲类DC放大器


本人DIY一直信奉“能花小钱的绝不花大钱,能不花钱的连小钱也不花”,所以装机多年从未因钱的原因受LP的抱怨,也没有对哪台JJ仔细地核算过成本。今天突然心血来潮,算了算刚完成小甲的花费,确实便宜得令人不敢相信:
         1.  牛是七、八年前淘的出口单子尾货,双18.5W/3A,单价25元。25*2=50元。
         2.  散热器也是早年淘的二手货,单价8元。8*4=32元。
         3.  输入、输出座在杭州的市场上只有垃圾品。1.5*2+3*4=15元。
         4.  OO板。12*1=12元。
         5.  自喷漆。9*1=9元。
         6.  K413/J118是当年花了80元买的二手板,上面有10对半管子,每对按8元计。8*2=16元。
6项合计:134元。这当然不是成本的全部,JJ其它零件和制作机箱的材料如果买的话,肯定还要花不少钱,好在这部分花费都在我的废料堆里得到了落实。

小甲领回家一个多星期了,平均每天工作5个小时的样子,各种类型的唱片都听了听,总体表现还算满意。中低频比DOZ稍猛,而对细节的还原感觉不如DOZ,尽管小甲输出
用了场管,按普遍的说法应该比BJT更细腻才对,但实际听感就是这样,所以“传说”有时需要通过实践来验证。小甲回家前后,又给它拍了一组“写真”。

    在工厂的最后时刻:
                 
双单运放推场效应管10W甲类DC放大器



双单运放推场效应管10W甲类DC放大器





(责任编辑:admin)
织梦二维码生成器
顶一下
(5)
100%
踩一下
(0)
0%
------分隔线----------------------------
发表评论
请自觉遵守互联网相关的政策法规,严禁发布色情、暴力、反动的言论。
评价:
表情:
用户名: 验证码:点击我更换图片
栏目列表
推荐内容