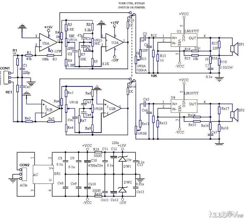
| 纯手工刻制懒猫的带音调LM1875功放板 在此感谢台北坛友 懒猫 提供原理图及PCB图 此板为纯手工刻板 第一块送给 北京坛友 石头蛋子        这种锋钢锯条现在不好找了 (责任编辑:admin) | 
用三个常见原件自制简单功放板。...
3年前作的,线比较乱 这个版本的1875我做过中最好听的版本,现在换了ecc88,爽,我还...
先来一张2年前手工搭棚的机机 对称的4声道0DB跟随器,作为桥接输出用的 这是胆电压放...
电子管诞生于1904年至今已有104年的历史了,随着60年代末期晶体管的异军突起,音频功率...
全频均衡,有一点甜味...
楼主的破有源音箱坏了,(3元一对在地摊上买的)。如图, 没有什么效果可言,只是能发...
 DIY亚克力功放机箱对管2.0
							更新:2013-02-11
							DIY亚克力功放机箱对管2.0
							更新:2013-02-11
						 做回lm1875功放
							更新:2012-09-12
							做回lm1875功放
							更新:2012-09-12
						 TA7240功放 被遗忘的声音
							更新:2012-09-30
							TA7240功放 被遗忘的声音
							更新:2012-09-30
						 以前做的重料的胆石lm1875
							更新:2017-05-12
							以前做的重料的胆石lm1875
							更新:2017-05-12