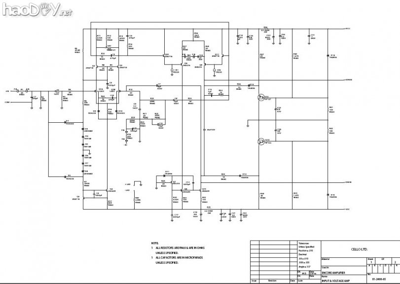
| ÕûÁ÷µç¸Ð»¹ÔÚ¶©×ö£¬µÈµ½»õÁËÔÙ¸üС£ ²¹³ä¸öµç·ͼ cello Ô³§µÄÏß·ͼ    ¼ÌÐø¸üУ¬Éϵç¸Ð£¬¼ÜÖ§¼Ü   ÉϱäѹÆ÷   Éϲ㵲°å  (ÔðÈα༣ºadmin) | 
| ÕûÁ÷µç¸Ð»¹ÔÚ¶©×ö£¬µÈµ½»õÁËÔÙ¸üС£ ²¹³ä¸öµç·ͼ cello Ô³§µÄÏß·ͼ    ¼ÌÐø¸üУ¬Éϵç¸Ð£¬¼ÜÖ§¼Ü   ÉϱäѹÆ÷   Éϲ㵲°å  (ÔðÈα༣ºadmin) | 
ÓÃÈý¸ö³£¼ûÔ¼þ×ÔÖÆ¼òµ¥¹¦·Å°å¡£...
3Äêǰ×÷µÄ£¬Ï߱ȽÏÂÒ Õâ¸ö°æ±¾µÄ1875ÎÒ×ö¹ýÖÐ×îºÃÌýµÄ°æ±¾£¬ÏÖÔÚ»»ÁËecc88£¬Ë¬£¬ÎÒ»¹...
ÏÈÀ´Ò»ÕÅ2ÄêǰÊÖ¹¤´îÅïµÄ»ú»ú ¶Ô³ÆµÄ4ÉùµÀ0DB¸úËæÆ÷£¬×÷ΪÇŽÓÊä³öÓÃµÄ ÕâÊǵ¨µçѹ·Å...
µç×ӹܵ®ÉúÓÚ1904ÄêÖÁ½ñÒÑÓÐ104ÄêµÄÀúÊ·ÁË,Ëæ×Å60Äê´úÄ©ÆÚ¾§Ìå¹ÜµÄÒì¾üÍ»Æð£¬ÒôƵ¹¦ÂÊ...
ȫƵ¾ùºâ£¬ÓÐÒ»µãÌðζ...
Â¥Ö÷µÄÆÆÓÐÔ´ÒôÏ仵ÁË£¬£¨3ÔªÒ»¶ÔÔÚµØÌ¯ÉÏÂòµÄ£©¡£Èçͼ£¬ ûÓÐʲôЧ¹û¿ÉÑÔ£¬Ö»ÊÇÄÜ·¢...
 ²ÉÓÃSTK3048 ºÍSTK6153µÄ¹¦·Åʵ
							¸üÐÂ:2012-08-25
							²ÉÓÃSTK3048 ºÍSTK6153µÄ¹¦·Åʵ
							¸üÐÂ:2012-08-25
						 ¡¾ÍøÂç·ÖÏí¡¿´òÔìµÍµ÷ÉÝ»ªµÄ´²Í·
							¸üÐÂ:2017-10-29
							¡¾ÍøÂç·ÖÏí¡¿´òÔìµÍµ÷ÉÝ»ªµÄ´²Í·
							¸üÐÂ:2017-10-29
						 ¾Éƿװоƣ¬¡°Ãú¡±naim nap140
							¸üÐÂ:2013-07-29
							¾Éƿװоƣ¬¡°Ãú¡±naim nap140
							¸üÐÂ:2013-07-29