最好的电子音响科技diy制作网站

haoDIY_音响电子电脑科技DIY小制作发明

当前位置: 主页 > 音响DIY > 功放DIY > 后级DIY >

DIY功放自动控制器

时间:2013-02-23 11:18来源:www.ndiy.cn 作者:田津坤 点击:
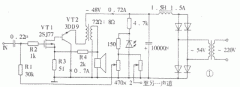
当电脑没有播放音乐而看着电能白白的从功放流走时,你是否会感到可惜,关着吧,一会儿又要开,很麻烦,又不能让电能白白浪费掉。于是我DIY了个功放自动控制电路(超级简单,又超级实用!)成功 图片 010.jpg (22.92 KB, 下载次数: 0) 图片 009.jpg (29.01 KB,
当电脑没有播放音乐而看着电能白白的从功放流走时,你是否会感到可惜,关着吧,一会儿又要开,很麻烦,又不能让电能白白浪费掉。于是我DIY了个功放自动控制电路(超级简单,又超级实用!)成功

 

图片 010.jpg (22.92 KB, 下载次数: 0)

 

DIY功放自动控制器

 

图片 009.jpg (29.01 KB, 下载次数: 0)

 

DIY功放自动控制器

 

图片 006.jpg (31.32 KB, 下载次数: 0)

 

DIY功放自动控制器

 

图片 004.jpg (26.06 KB, 下载次数: 0)

 

DIY功放自动控制器

功放控制.JPG (22.02 KB, 下载次数: 9)

  (责任编辑:admin)

织梦二维码生成器
顶一下
(4)
100%
踩一下
(0)
0%
------分隔线----------------------------
发表评论
请自觉遵守互联网相关的政策法规,严禁发布色情、暴力、反动的言论。
评价:
表情:
用户名: 验证码:点击我更换图片
栏目列表
推荐内容