最好的电子音响科技diy制作网站

haoDIY_音响电子电脑科技DIY小制作发明

业余制作超外差电子管FM收音机详解

时间:2013-05-05 16:33来源:未知 作者:mldog 点击:
我是按制作过程解说一下安装及调试的方法,但希望朋友们制作时要对全部工作心中有数,有些制作不一定按我解说的顺序,也可交叉进行。 改装前的布局 改装后的布局 一、准备 为了能安装新增加的高频头、中放线圈和鉴频器,先把底板上的电源滤波电解移动到底版
我是按制作过程解说一下安装及调试的方法,但希望朋友们制作时要对全部工作心中有数,有些制作不一定按我解说的顺序,也可交叉进行。

改装前的布局
业余制作超外差电子管FM收音机详解
改装后的布局
业余制作超外差电子管FM收音机详解

一、准备
  为了能安装新增加的高频头、中放线圈和鉴频器,先把底板上的电源滤波电解移动到底版下面。把愿收音机的中、短波天线线圈移动到合适的位置。 
  增加一个高音喇叭。
  按电路图改变波段开关。用FM波段取代波段开关“拾音”档。
  改完后试一下,如果收音正常就进行下一步工作。

二、制作模块
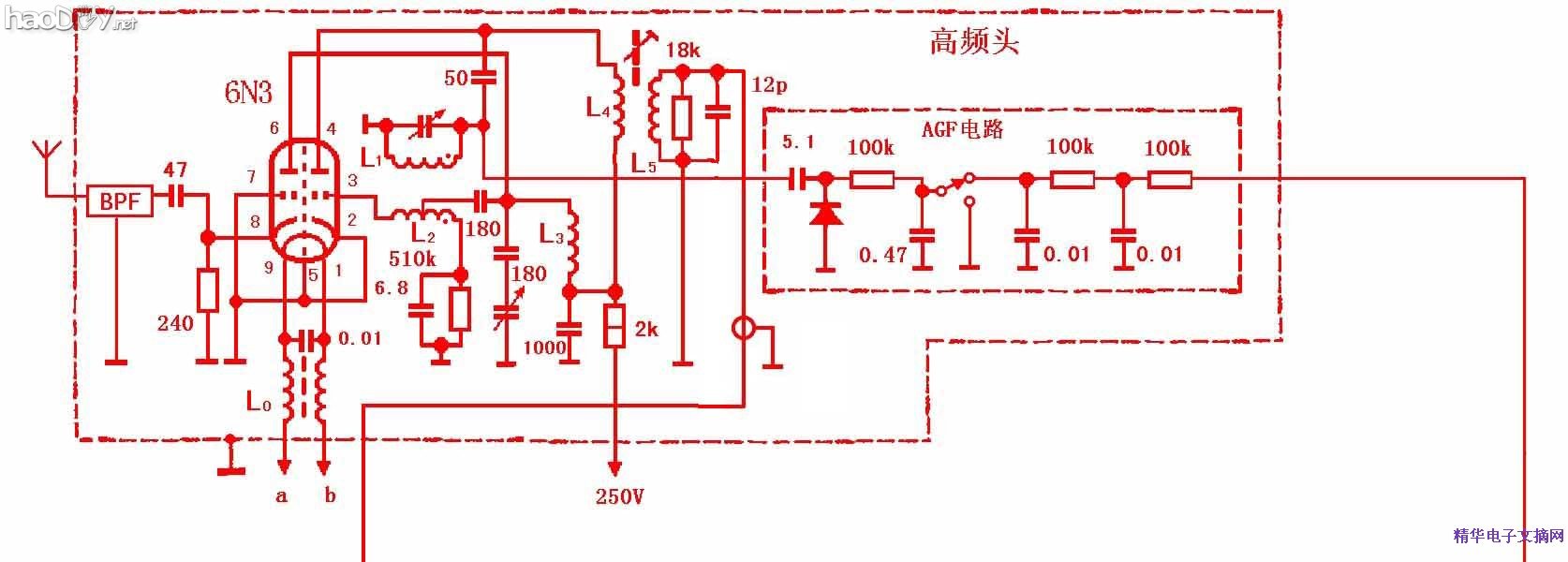
  1、FM高频头
  注意:原高频头电路图有改动,由于L4的谐振电容对振荡频率影响较大,在实际制作时我把它移动到L5上去了,具体见下图。


业余制作超外差电子管FM收音机详解


  用铝型材制作高频头的盒子,高频头的盒子又是四连可变的支架。根据你自己的四连可变电容的安装孔留好电容防震固定的孔。因为个人的材料、工具不同,具体尺寸和制作方法要因地制宜发挥自己的聪明才智。
高频头的结构及安装图
业余制作超外差电子管FM收音机详解
业余制作超外差电子管FM收音机详解
业余制作超外差电子管FM收音机详解
业余制作超外差电子管FM收音机详解
业余制作超外差电子管FM收音机详解 (责任编辑:admin)
织梦二维码生成器
顶一下
(1)
50%
踩一下
(1)
50%
------分隔线----------------------------
发表评论
请自觉遵守互联网相关的政策法规,严禁发布色情、暴力、反动的言论。
评价:
表情:
用户名: 验证码:点击我更换图片
栏目列表
推荐内容