最好的电子音响科技diy制作网站

haoDIY_音响电子电脑科技DIY小制作发明

我是这样制作电子管fm调频调谐收音机的 附电线路图纸

时间:2013-05-05 16:47来源:bbs.leowood.net 作者:铁蛋 点击:
电子管fm调频收音机的 附电线路图纸 以前,我一直把电子管调频收音机当作是天上的仙女只能想,看不到,甚至连欣赏一下她甜美的声音,对于生活在小地方的人来说都是一种奢望。 小的时候爱上了无线电,装置过再生机,超外差机,集成电路机,攻放等等,一年多之
电子管fm调频收音机的 附电线路图纸

以前,我一直把电子管调频收音机当作是“天上的仙女”只能想,看不到,甚至连欣赏一下她甜美的声音,对于生活在小地方的人来说都是一种奢望。
      小的时候爱上了无线电,装置过再生机,超外差机,集成电路机,攻放等等,一年多之前,一头撞进“广播论坛”我的心从此就留在了这里,每天与来自祖国各地的朋友们共同交流,一起鉴赏,电视节目都不怎么看了,“广播论坛”几乎成了我的业余生活的全部。
    看着不少朋友都拥有电子管调频收音机,说实在的,我打心眼儿里羡慕,可是,动辄几千元昂贵的价格不是每个人都可以买回来的。我暗自思忖,我要自己装置一台电子管调频机!
    在电子管技术相对过时的现代,要找到完备的资料可不是一件容易的事儿,我在网上和现实生活中,尽我最大的力量,也就找到了如下几个自己认为还算比较适用的电路(苏联的机器,由于频率不合适,都放弃了)
我是这样制作电子管fm调频调谐收音机的 附电线路图纸
上面的电路用了三个电子管,高频部分的线圈制作相对复杂,估计性能也好不到哪里去,放弃了
我是这样制作电子管fm调频调谐收音机的 附电线路图纸
这是一款日本电路,清清爽爽我很喜欢,遗憾的就是上面的数字很模糊
我是这样制作电子管fm调频调谐收音机的 附电线路图纸
我是这样制作电子管fm调频调谐收音机的 附电线路图纸
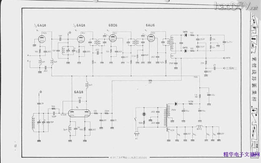
    哈哈,这两款电路我喜欢,取材容易,电气性能也很好,尤其是后面的一张图纸,变压器次级输出250v---0----250v与大多数六灯机器变压器一样,上面的数值拿来就用。可是也有遗憾的地方,高频部分采用了进口的12AT7我手里没有,我就参考了上面的一款电路,进行了器官移植。嘿嘿,高频部分用两个普通的6N3就可以搞定,几块钱一只,我用的是破电视拆下来的,两个中放,就用两个最常见的6K4,我有大把。整机四个电子管,即便全新的也就是10几块钱。呵呵,穷人乐了!
    实际装置过程中,参考了乐天派老师,崔老师的思路,将上述几个电路进行了优化组合,就变成了这副模样,这家伙一出生就得了“胆结石”鉴频部分用两粒2AP9.喜欢全胆的朋友可以加上个6H2,取代了石头。 呵呵,我不是电器专业科班出身,里面的原理我也不会讲,反正这个图看着还算合理,比较顺眼。
我是这样制作电子管fm调频调谐收音机的 附电线路图纸
        大家都关心这里面的电感器件的数据,我是这样做的,高频部分L1,我用垃圾堆捡来的电子镇流器里面的漆包线绕制,线径大约0.35毫米,在4毫米的旧钻头上密绕12圈。L2,用相同的线相同的胎具密绕22圈,L3用1.2毫米的漆包线间绕5圈。L4,用1.2毫米漆包线在直径10毫米的钻头上间绕4.25圈。L5,用1.2漆包线在6毫米钻头上间绕5.5圈。特别注意的是,L4和L5的绕向是相反的,L5套在L4内部,也就是L4装在L5里面,两个线圈的公用端接在铁底盘上。L6数据与L2相同。业余制作么~什么Q值啦,电感量啦,我都没去管它。土法上马,因陋就简。

我是这样制作电子管fm调频调谐收音机的 附电线路图纸


        我的高频部分的实验电路做出来就是这样的,嘿嘿,难看了些。让大家笑话了
自己土造的高频管子的屏蔽帽儿,薄白铁卷的,有条件了换成成品的管座,太仓促了
我是这样制作电子管fm调频调谐收音机的 附电线路图纸
        中周,我用的是手底下旧有的老线圈,两个线圈骨架底部锯断,屁股对屁股用“哥俩好”粘牢,我用垃圾堆捡来的破交流接触器里面的漆包线绕了40圈,线径0.24毫米,两个线圈之间的间隔是5毫米,配合谐振电容15--20P都可以
我是这样制作电子管fm调频调谐收音机的 附电线路图纸
我是这样制作电子管fm调频调谐收音机的 附电线路图纸
        还没来得及做外罩呢,我用薄铁皮做了个套子,很难看,没敢拍
我是这样制作电子管fm调频调谐收音机的 附电线路图纸
        鉴频器初级先绕40圈,配合谐振电容18P.相隔5毫米双线并饶10圈,配合谐振电容51P.;注意线圈的同名端。返回来在初级线圈上,加一层电工用的黄腊绸绝缘,或者直接用旧电话线拆下来的芯线绕10圈。鉴频器的好坏,直接影响着整机的成功与否,相当的关键!切记切记

我是这样制作电子管fm调频调谐收音机的 附电线路图纸


我是这样制作电子管fm调频调谐收音机的 附电线路图纸
       我用的是现成的熊猫机器底盘,原来的6A2.6K4的位置正好装下两个中放管,两个中周的地方也很好用。只要安装好了空气四连。就好办了。我把两个6N3放在四连的另一边,用四连把高频部分与中频部分隔开,四连的两个接地端我用薄铁皮做了屏蔽,嘿嘿,这可是绝招儿~一般人儿,我可不告诉他
我是这样制作电子管fm调频调谐收音机的 附电线路图纸
       里面的元器件都是拆机品,很多引脚都短了,我用单股线作了“搭桥手术”.这些电阻就像抢先听老中医的讲座一样。增粗,变长了。 还用油脂精心的进行了擦拭,保养。您看,还算挺干净吧?傻蛋的手指头可是脏了一个礼拜哦!
   如果安装无误,开机应该有沙沙声,接好天线,转动四连,仔细的听,看有台没台,如果有台,就从后往前开始调整。怎么调,就看您自己了。没台,麻烦。查!没好办法,判断起振了没有,这个改进了的电路,起振很容易。罗罗嗦嗦说了半天,我自己都糊涂了,估计,您也会在不远的将来,拥有一台属于您自己中意的“胆调频姬”,尽管简陋条件下,不会有多精确的指标,可是,那句老话叫什么来着?对了,“自己的孩子自己爱”~~
   今天,邮局的妹子又上门了,送来了一个纸箱子,里面是昔日重来大哥寄来的新衣裳,我中午没休息,就把“我的相好儿的”安排进去了~~~嘿嘿,她的新家;~~怎么样?还算漂亮吧
我是这样制作电子管fm调频调谐收音机的 附电线路图纸
(责任编辑:admin)
织梦二维码生成器
顶一下
(11)
100%
踩一下
(0)
0%
------分隔线----------------------------
发表评论
请自觉遵守互联网相关的政策法规,严禁发布色情、暴力、反动的言论。
评价:
表情:
用户名: 验证码:点击我更换图片
栏目列表
推荐内容