|
利用无线电波传递信息,具有传输距离远、传送信息量大、可以穿越大多数障碍物以及无须架设线路等特点,广泛应用于通信、广播、遥控和遥测等领域,也吸引了大批无线电爱好者投身其中。要发射无线电波,首先要产生无线电波。“振荡”电路就是按照人们的意愿产生无线电波的“机器”。 高频振荡器 振荡器是一种不需要外加输入信号,而能够自己产生输出信号的电路。产生无线电载波信号的高频振荡器属于正弦波振荡器。正弦波振荡器由放大电路和反馈电路两部分组成,反馈电路将放大电路输出电压的一部分正反馈到放大电路的输入端,周而复始即形成振荡,如图1所示。高频振荡器有变压器耦合振荡器、电感三点式振荡器、电容三点式振荡器、晶体振荡器等多种电路形式。
图1 正弦波振荡器
1. 变压器耦合振荡器 变压器耦合振荡器电路如图2所示,变压器T包括振荡线圈L2和反馈线圈L1,L2与C2组成LC并联谐振回路,作为晶体管VT的集电极负载,L1接在VT基极。VT与LC并联谐振回路构成选频放大器,只有频率f =f o的信号得到放大,并经变压器T正反馈至基极,形成振荡,振荡频率f o=1/(2π L 2C2),正弦波信号经C4耦合输出。变压器耦合振荡器的特点是容易起振,输出电压较大,但最高振荡频率较低。 2. 电感三点式振荡器 所谓三点式振荡器,是指晶体管的3个电极直接与振荡回路的3个端点相连接而构成的振荡器,如图3所示。
图2 变压器耦合振荡器
图3 三点式振荡器 3个电抗中,Xbe、Xce必须是相同性质的电抗(同是电感或同是电容),X cb则必须是与前两者相反性质的电抗,才能满足振荡的相位条件。 电感三点式振荡器电路如图4所示,L1、L2、C4为构成振荡回路的3个电抗,由于振荡回路的3个电抗中有两个是电感,所以叫做电感三点式振荡器。 电感三点式振荡器是利用自耦变压器原理将输出电压U o反馈到输入端的,电感L1和L2可看作是一个自耦变压器,L1上的输出电压U o通过自耦在L2上产生反馈电压Uβ,Uβ与Uo反相而与Ui同相,形成正反馈而使电路振荡。电感三点式振荡器的特点是容易起振,波段频率范围较宽,但振荡输出电压波形不够好,谐波较多。 3. 电容三点式振荡器 电容三点式振荡器电路如图5所示,L、C3、C4为构成振荡回路的3个电抗,由于振荡回路的3个电抗中有两个是电容,所以叫做电容三点式振荡器。 电容三点式振荡器中,C3上的输出电压Uo同时加在L、C4支路上,由于电感上电流滞后电压90°,所以支路电流I 比Uo滞后90°。 而I 流过电容C4所产生的反馈电压Uβ又比I 滞后90°,即与输出电压Uo反相(相差180°)而与输入电压Ui同相,实现了正反馈,电路实现振荡。电容三点式振荡器的特点是振荡输出电压波形好,振荡频率较稳定,但不易起振,波段频率范围较窄。
图4 电感三点式振荡器
图5 电容三点式振荡器
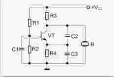
4. 晶体振荡器 为了进一步提高振荡器的频率稳定度,可以采用晶体振荡器。因为晶体的谐振频率十分稳定,因此晶体振荡器具有非常高的频率稳定度。根据晶体在电路中的作用形式,常用的晶体振荡器可分为并联晶体振荡器和串联晶体振荡器两类。 并联晶体振荡器电路如图6所示,晶体B作为反馈元件,并联于晶体管VT的集电极与基极之间。这是一个电容三点式振荡器,晶体B在这里等效为一个电感元件使用,与振荡回路电容C2、C3一起组成并联谐振回路,共同决定电路的振荡频率。 串联晶体振荡器电路如图7所示,晶体管VT1、VT2组成两级阻容耦合放大器,晶体B与C2串联后作为两级放大器的反馈网络。晶体B在这里等效为一个纯电阻使用,将VT2的集电极电压反馈到VT1的基极,构成正反馈电路。电路振荡频率由晶体的固有串联谐振频率决定。
图6 并联晶体振荡器
图7 串联晶体振荡器 高频放大器 无线电发射电路的组成通常包括振荡器、调制器、高频放大器和天线等,如图8所示。高频放大器的作用是将振荡器产生的高频信号放大到足够的功率,送至天线发射出去。数十毫瓦以下的小功率发射装置也可以不用高频放大器,而由高频振荡器直接通过天线发射。 高频放大器是一种选频放大器,它只放大我们需要发射的频率的无线电信号。选频放大器最显著的电路特征是,放大器的负载是LC谐振回路。 高频放大器电路如图9所示。VT为高频放大管,L1与C2组成并联谐振回路,作为VT的集电极负载。L1、C2并联谐振回路的谐振频率为f o ,只有f =f o 的信号得到放大,由L1耦合至L2送__________入天线发射,电路谐振曲线如图10所示。R1、R2为VT的基极偏置电阻。C1为输入耦合电容。
图8 无线电发射电路方框图 图9 高频放大器 图10 高频放大器频率曲线
天线 天线是无线电发射和接收系统中必不可少的部分,它承担着向空间辐射无线电波或从空间接收无线电波的重任。天线的形式多种多样,常用的中、短波段天线主要有垂直天线、倒L天线、T形天线、伞形天线、笼形天线(图11)、鱼骨形天线、八木天线(图12)、鞭状天线(图13)等。 小型或业余条件下的无线电发射和接收多采用鞭状天线,例如手机、对讲机、无线电遥控器等。收音机上的拉杆天线就是一种鞭状天线,甚至一根导线也可以成为鞭状天线。当天线的长度为1/4波长时发射效率最高。在天线的根部或中部串入加感线圈可以缩短天线的长度。
图11 笼形天线
图12 八木天线
图13 鞭状天线 等幅波发射机制作实例 等幅波发射机可以产生和发射等幅无线电波,即没有被调制的无线电载波信号,它是用各种调制方式传输无线电信号的基础,也可用作等幅无线电报实训或简易无线电遥控。 1. 电路原理 图14所示为等幅波发射机电路,它实际上就是一个高频振荡器,产生频率为40MHz的高频无线电波。晶体管VT1、VT2及L1、C1等构成双管推挽高频振荡器,振荡频率由L1、C1谐振回路决定,电路产生的高频信号由L1耦合至L2,通过天线发射出去。L3为高频阻流圈,C2为高频旁路电容。双管推挽高频振荡器具有易于起振、输出功率大的特点,适合无线电爱好者制作。
图14 等幅波发射机电路图
图15 9018NPN型高频小功率晶体管
2. 元器件选择与自制 VT1和VT2选用9018等NPN型高频小功率晶体管(图15),VD1和VD2选用2CK10等开关二极管。C1 ~ C4选用高频瓷片电容器,电阻无特殊要求。电感线圈需自行绕制。绕制L1的方法是:利用一直径5mm左右的圆棒(例如墨水笔芯)作为模具,用直径1mm的镀银线(也可用裸铜线)在模具上绕10圈,脱胎为空心线圈,并将其均匀拉长为20mm左右,然后另用一截镀银线在线圈中间(5圈处)夹紧并焊牢,作为抽头引线,如图16所示。天线采用一段软导线,其一端接地,然后在L1上缠绕4圈作为L2,余下的拖线即为天线,如图17所示。高频阻流圈L3选用固定电感(图18),也可自制,方法是:利用1MΩ左右电阻作为骨架,用直径0.1mm漆包线在其上密绕90圈,线圈两头分别焊牢在电阻的两引脚上即可,如图19所示。
图16 绕制电感线圈
图17 在线圈上绕上软导线
图18 固定电感
图19 L3的制作
3. 制作与调试 整机可用爱好者熟悉的“洞洞板”装制,十分方便。制作好的电路板如图20所示,左侧为天线,右侧经开关S接电源正极,黑线接电源负极。本机安装无误一般不需要调整即可正常工作。如需调节振荡频率,可适当改变C1的大小,或增减L1的匝间距离。
图20 制作好的电路板
用电键取代电源开关S,本机即成为一台简易的等幅无线电发报机,可作为业余无线电爱好者实训之用 (责任编辑:admin) |

































