|
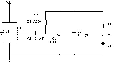
这个带电池的二极管检波收音机还要简朴,只是用了个三极管,因为三极管放大的浸染,声音会较响的. 三极管可以选择9011,9018,9014....尚有其余的3DGX等都可以.其实欠好找,又懒得去买,找个破的节能灯(5W以上的),拆开灯头里的电子镇流器就能找到这些器件.线圈可以把哪里的电感线圈拆了本身绕个,电容找个差不多容量的,内里能有的,电阻也差不多有,三极管测一下,没有烧掉好使就成.最必要办理的是谁人可变电容器,不外有人用纸和两块铜板做出个,呵呵. 耳机电池就得本身想步伐找了,低阻的也能听到声音。
|
















