|
原图没有再生,我加了一圈再生。没有收音机可以校对频率,大概在短波7000左右,也可能不是(我从来没有买过甚至听过短波收音机)。
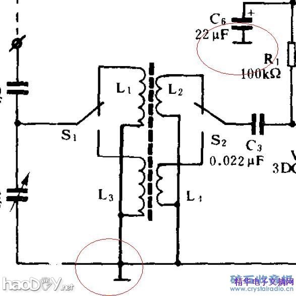
但是朝鲜语言的电台每天像念咒语一样不停的响,能收到俄罗斯的莫斯科之音(这一点让我很兴奋,这电台的试播歌曲真不错啊)。 总体表现:原图没有再生,我加了一圈再生。截取原图中波线圈,只留短波(为短波痴迷)。左手调再生,右手调频率。当再生调到恰到好处时,选择性很棒,音量震耳! 这个频率经常有很快电码和叽里呱啦业余无线对话(听不太清楚)。 为了声音能圆润一些,在原图的3ax31c上再加一个47uf。高频管则改为9018。电路板实在是没有啊,就用方便面里的卡通人物的卡片撕下油性的表层一面来代替呵呵。 注:图选自《新颖简易收音机制作》——《中短波三管机》。这图不错,很适合新手操作,希望有兴趣的朋友可以试一试,并发表一下您的收听及制作报告。 感谢版主,感谢坛里每一个人!!! (责任编辑:admin) |





















