最好的电子音响科技diy制作网站

haoDIY_音响电子电脑科技DIY小制作发明

3DQ场效应管矿石机实验

时间:2017-04-26 20:34来源:www.crystalradio.cn 作者:ntwhq 点击:
本帖最后由 ntwhq 于 2011-8-21 21:48 编辑 最近把以前做的矿石机拿出来玩玩,发现收不到电台了,以前在家里拖上根4、5米的天线声音就很高了,怎么回事呢?一打听才知道中波发射台由离我家4公里左右搬到20公里以外去了,用DSP数字收音机在室内听中波也有不少
本帖最后由 ntwhq 于 2011-8-21 21:48 编辑

最近把以前做的矿石机拿出来玩玩,发现收不到电台了,以前在家里拖上根4、5米的天线声音就很高了,怎么回事呢?一打听才知道中波发射台由离我家4公里左右搬到20公里以外去了,用DSP数字收音机在室内听中波也有不少干扰声,难怪矿石机收不到了。由于家住二楼,无法在楼顶拉天线,只好在阳台外沿凉衣架上挂了一根10米左右的天线,接到矿石机上,还是听不到广播声,这时候我就想起用论坛上一位老师送给我的一对舌簧耳机(阻抗600欧,两只串联使用,阻抗1200欧)来试,以前试听时这对比电磁式耳机响多了,于是把那两只耳机拿出来用一个旧耳机的支架装上(这样安装过后有点心疼),接上这个耳机后就能听到一点广播声了(这个耳机的灵敏度真高,再次谢谢老师)。接下来把2AP10换成BAT85,声音又高了许多,但是换成4400欧(2200+2200)电磁式耳机声音还是很小,听不清在说什么。
看到论坛上好多坛友用3DQ(即3SK143-3DQ)配合舌簧耳机装配矿石机,都说效果很好,使我很感兴趣,能不能做一个比我现在的灵敏度高的矿石机呢?于是我也想试试。
3DQ场效应管矿石机实验
本帖最后由 ntwhq 于 2011-8-21 19:17 编辑

一、三种电路形式的试验
    首先我用0.07x80的纱包线在直径97mm的聚丙烯圆管上绕了一个线圈,L1绕48T,L2 绕12T。
3DQ场效应管矿石机实验
    3DQ矿石机根据副线圈L2起始端接法不同可分为两种电路(场效应管D、S间相当于一个受G控制的可变电阻,电压反接也没有问题);我把L2接在3DQ的漏极又可以产生两种接法,因这两种接法没有本质的区别,所以我就选其中一种,这样三种基本接法如下,右边是其等效于二极管检波电路的电路图,这里的二极管可以理解为受栅极电压控制的电子开关,栅极电压为正时接通,栅极电压为负时断开。
3DQ场效应管矿石机实验
3DQ场效应管矿石机实验
3DQ场效应管矿石机实验

电路图3.gif (12.31 KB, 下载次数: 14)

下载附件

2011-8-21 18:54 上传

 

    三种电路除了电路形式不同外,其栅极的输入电压也有所不同,电路1中栅极输入电压为L1和L2输出电压的和,即: VGS=VL1+VL2;电路2中:VGS=VL1-VL2,电路3中:VGS=VL1。
    我原先认为第三种新电路更符合场效应管的常规接法,效果应该更好一点,但经试验三种电路效果看不出区别。
    但三种电路中第一种电路栅极输入的电压最高,更有利于场效应管的导通,至少心理作用是如此,于是我决定在第一种电路的基础上继续进行试验。
本帖最后由 ntwhq 于 2011-8-21 19:19 编辑

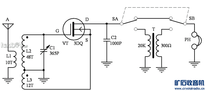
二、增加变压器的试验、
    我搭了一个简单的电路测量了一下3DQ作放大电路、栅压在0V左右时漏极的输出阻抗,结果大概为20k左右,但论坛上大家都说3DQ作检波时输出阻抗为1k左右,接两只300欧串联的舌簧耳机也比较合适。同时我也看到麦老师介绍的国外参展机上接了匹配变压器,于是我就用变压器试验一下,花了不少力气用120V线间变压器的铁芯绕了一个初级阻抗为20k(用QS18A 万能电桥测量电感为96.7H),次级阻抗阻抗为300欧(两只600欧舌簧喇叭并联使用)的变压器。
   3DQ场效应管矿石机实验
    为了方便把电路接成可以转换的方式,便于比较和改接高阻耳机。
    电路图
3DQ场效应管矿石机实验
    安装好的矿石机
3DQ场效应管矿石机实验
    试验结果非常令人失望,不管是收电台广播,还是接信号源,接变压器时声音都比直接接时小多了,换了友谊电子的仿T-725变压器也是如此,用T-725换多种阻抗接都没有真接接的响,看来大家的话还是要听的,哈哈。
    看来想要通过接高负载阻抗来提高输出功率比较困难,能不能想想其它办法呢?于是我决定继续分析、试验。
本帖最后由 ntwhq 于 2011-8-23 06:45 编辑

三、给场效应管源极加自生偏压电路
    3DQ作放大时输出阻抗高达20k左右,为什么作检波时只有1k左右呢?
    我们用下图左边的栅漏极转移特性曲线图(来源:lq19512003 http://www.crystalradio.cn/bbs/v ... 2%CA%D4%CA%FD%BE%DD,在此谢谢lq19512003)来分析:
3DQ场效应管矿石机实验
    从左图可以看出:3DQ栅压为0时漏极电流ID并不为0,还有30多微安,也就是说不是真正的零电压临界值,这样作检波时反向漏电(作放大器时不存在反向工作状态)就比较大了(反向栅压还达不到关断值),使检波效率降低,当负载比较小时反向电流和正向电流相比很小,但当负载阻抗增加时正向电流减小,正向电流和反向漏电越来越接近,所以比负载阻抗高时效率更低。。
    那能不能解决这一问题呢?想来想去方法只有一个:给场效应管加一个负栅压,但矿石机是不允许有附加电源的,负栅压从哪里取呢?经过反复思考,我决定在源极加1只电阻和1只交流旁路电容,利用场效应管工作时ID 在电阻R上产生的上正下负的电压给极栅极加上负偏压,这类似于电子管电路中的方法。
    增加自生偏压电路后栅漏极转移特性曲线被右移了,见上面特性曲线的右图,从右图可以看出栅压为0时ID大大减小了,因此检波效率会有提高。
    改动后的电路如下,源极用了一个电位器,这样方便调节。
3DQ场效应管矿石机实验 
    安装好的矿石机
3DQ场效应管矿石机实验
改装好后我用下面的测试图做直接接舌簧耳机的做了试验,试验过程中发现当RP由0调大过程中输出音频信号逐渐增加,当RP大于10k后变化就不明显了,因此以RP=0(相当于不接电阻)和RP=10k两种情况进行对比试验。
测试图如下
3DQ场效应管矿石机实验
3DQ场效应管矿石机实验
测试时调节信号源的输出电压对7个点进行测试,测试条件:负载1.2k。
以测试第一工作点为例,先调节信号源的输出电压,使毫伏表的读数为1mV,然后将电位器RP调到10k的位置,记录这时毫伏表相应的读数,余下以些类推。测试结果如下:
3DQ场效应管矿石机实验 
从测试结果可以看出:
1、        在信号较小的情况下加自生偏压电阻的效果较好;
2、        当输出音频电压大于30mV时加自生偏压电阻后输出信号不升反降,其实这也可以理解,因为大信号需要大电流,而加入电阻后限制了大电流。再说大信号时也用不着想办法增加信号强度。
因此在使用过程中,接收小信号时调大RP,接收大信号时调小RP。
至于加了RP后有没有增加输出阻抗?增加了多少?还需要继续做试验。

(责任编辑:admin)
织梦二维码生成器
顶一下
(0)
0%
踩一下
(0)
0%
------分隔线----------------------------
发表评论
请自觉遵守互联网相关的政策法规,严禁发布色情、暴力、反动的言论。
评价:
表情:
用户名: 验证码:点击我更换图片
栏目列表
推荐内容