最好的电子音响科技diy制作网站

haoDIY_音响电子电脑科技DIY小制作发明

反绕双值线圈两波段 MOSFET 检波的矿石机

时间:2017-04-27 16:44来源:www.crystalradio.cn 作者:mak1939 点击:
反绕双值线圈两波段 MOSFET 检波的 矿石机 两个月前在本坛发表了一篇 用场效应晶体管检波的矿石机 (http://www.crystalradio.cn/bbs/viewthread.php?tid=23849extra=page%3D1)。 觉得用 MOSFET 检波有很多好处,是矿石收音机值得深入研究的新项目,于是订
  
  
反绕双值线圈两波段
 MOSFET 检波的矿石机


两个月前在本坛发表了一篇“用场效应晶体管检波的矿石机
( http://www.crystalradio.cn/bbs/viewthread.php?tid=23849&extra=page%3D1 )。

觉得用 MOSFET 检波有很多好处,是矿石收音机值得深入研究的新项目,于是订购了一些 ALD110900A MOSFET集成电路准备试验。

按照自己手上已有的器材,设计了一台反绕双值线圈两波段 MOSFET 检波的矿石机。

MOSFET 检波部分基本上是参考上述文章中 迈克.特高 和 鲍勃.库特 的电路:


反绕双值线圈两波段 MOSFET 检波的矿石机 



反绕双值线圈两波段 MOSFET 检波的矿石机 

目前我没有用输出变压器和 Sound Powered 耳机,而是直接用直流电阻 4500 欧的高阻抗耳机。调谐电路则采用环形反绕双值线圈,分成两波段。

关于反绕双值线圈电路的原理请参考以下两篇文章,在这里不再重复了:

利用反绕双值线圈的高灵敏度高选择性单回路四波段矿石机
http://www.crystalradio.cn/bbs/viewthread.php?tid=18936&extra=page%3D1

反绕双值线圈两波段双回路矿石收音机
http://www.crystalradio.cn/bbs/viewthread.php?tid=21160&extra=page%3D1


按照一本业余无线电手册的介绍,圆形环状天线的增益比正方形的高,但是碍于环状空心骨架比较难制作,只好因陋就简采用正方形了。

调谐线圈是对角线 23-1/2 英寸的方形天线。整个方形天线线圈的宽度是 3 英寸。两个线圈每个间绕 7 圈。两线圈串联是 14 圈,用万能电表实测电感 175 uH,并联电感 39 uH。


反绕双值线圈两波段 MOSFET 检波的矿石机

反绕双值线圈两波段 MOSFET 检波的矿石机



线圈架用 3/4 英寸直径的聚氯乙烯水管和两个十字接头做成,顶端坎入玻璃纤维电路板(没有铜基板的),利用它们原有的小孔,刚好能间距均匀地藏下导线。导线是镀银的多股聚四氟乙烯绝缘线。另外用漆包线绕两个圈的 FET 源电极线圈。用一个波段开关同时作调谐线圈和源电极线圈的串联 / 并联转换。

源电极线圈是绕在两个调谐线圈中间。我不知道放在中间还是放在两旁比较好。如果不管调谐线圈串联或并联都用同一个两圈的源电极线圈,那么线路就可以简化了。


反绕双值线圈两波段 MOSFET 检波的矿石机

反绕双值线圈两波段 MOSFET 检波的矿石机


反绕双值线圈两波段 MOSFET 检波的矿石机 


为方便试验把 ALD110900A DUAL MOSFET 安装在有 3 个香蕉插头的小电路板上。集成电路插座是 16 针的,我把 ALD110900A 插在前面,只用前面一半的插孔把两个 FET 并联。但是也可以插入 ALD110800APCJL QUAD MOSFET 集成电路,把同一个集成电路里面的四个 FET 并联。

这种 MOSFET 集成电路对静电很敏感,如果碰触时身体带有静电很容易使它们损坏。必须非常小心处理。它们也不能承受过高的信号电压,如果电台信号比较强,要注意限制。 


反绕双值线圈两波段 MOSFET 检波的矿石机

反绕双值线圈两波段 MOSFET 检波的矿石机



在 MOSFET 检波输出和耳机之间串联了一个 5 uA 的电流表,以便在寻找电台时指示准确的调谐位置。

矿石机的底座利用以前的试验板和部分零件。由于是初步试验许多因素都未能确定,所以很多接线柱、接线钩和接头都没有拆除,接线也很凌乱。待试验完毕,选择好合适的零件数值之后,也许会重新安装,把零件合理地布置好。


反绕双值线圈两波段 MOSFET 检波的矿石机



今天终于完成了安装,初步试验的结果相当满意。转动环形天线和调整可变电容器,可以收到十多个电台。信号强的电台,电流表指示超过 5 uA,最弱的电台只有 0.2 uA,但是在安静环境下完全可以清楚收听。由于 FET 阻抗很高,所以调谐电路的选择性很好,没有混台现象。


反绕双值线圈两波段 MOSFET 检波的矿石机



拔出 MOSFET,随手拿一个 2AP9 二极管检波进行比较。很多弱台都听不见了,而且选择性明显变坏。我选择一个中等强度的电台比较,MOSFET 的检波电流是 4 uA,换上 2AP9 再调整到最佳调谐点,只有 1.5 uA。根据许多实验者的报告,MOSFET 检波的选择性非常好,但是矿石机的音量明显比普通二极管小。这和我见到的情况有矛盾。也许是输出阻抗还没有达到最佳匹配吧?

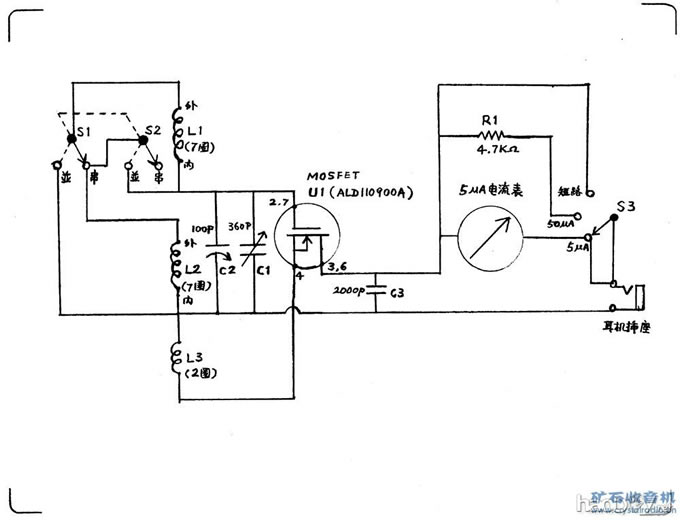
这是反绕双值线圈两波段 MOSFET 检波矿石机的电路图:


反绕双值线圈两波段 MOSFET 检波的矿石机



零件表:

C1 500 pf 陶瓷绝缘可变电容器
C2 100 pf 陶瓷绝缘半调整可变电容器
C3 2000 pf 固定电容器
L1L2圈的反绕双值调谐线圈
L3L4圈的反绕双值 FET 源电极线圈
S1 – S4 4  2 位开关(现用 11 位开关代替)
U1 ALD110900A DUAL MOSFET 集成电路
PH 直流电阻 4500 Ω 耳机
M: 5 uA 直流电表


为了提高电声转换效率,使这台矿石机的声音更大,还是要试验一下用 Sound Powered 耳机。

用一个 Bogen T-725 线间输出变压器匹配低阻抗的 Sound Powered 耳机。为了适应不同阻抗的耳机,在一个塑料盒子里安装了一个可以变换输出阻抗的阻抗变换器。线路图如下:


反绕双值线圈两波段 MOSFET 检波的矿石机

反绕双值线圈两波段 MOSFET 检波的矿石机 

反绕双值线圈两波段 MOSFET 检波的矿石机 

反绕双值线圈两波段 MOSFET 检波的矿石机


经过对比试验,证实 USI Sound Powered 耳机比直流电阻 4500 欧的 DCM 耳机声音大得多。输入阻抗选择 20 千欧似乎比较好,电表读数比选用 40 千欧约高 10 %。输出阻抗选择 1500 欧的时候耳机的声音最大。但是变换输入和输出阻抗时,单凭自己的听觉不容易判断效果。

细心调整可变电容器,日间收到的电台有 20 个(这里附近的本地电台总共是 26 个)。最强的电台在电表的指示有 18 微安,最弱的 0.2 微安。超过 5 微安时声音明显失真(不知道是什么原因,可能与这种检波器的特性有关。在网上也曾见过对强信号失真的实验报告)。虽然最强的电台所占的频带比较宽,但是因为
环形天线有方向性,还不至于干扰邻近的电台。
  
用这种环形天线单回路矿石机,没有外接天地线而能够得到这样的灵敏度和选择性,应该满意了!指望声音 “震耳” 是不现实的。


为了简化电路,我又尝试把 L3 和 L4 两个 FET 源电极线圈合并为一个(两个线圈串联成一个两圈的线圈),希望能省去一组开关。也就是说两波段公用一个相同的源电极线圈。试验的结果,两个波段都可以正常地检波,不过似乎高频段电台的声音比原来的电路小一点。还不能确定源电极线圈应该绕多少圈才能得到最好效果,需要再深入研究。

在电流表上加了一个 3 档开关,量程可选择 5 uA50 uA 和短路。用前两档指示最好的调谐位置之后,可以使电表短路,不至于因为电表串联在输出电路上减弱了耳机的声音。

改进后的电路如下:


反绕双值线圈两波段 MOSFET 检波的矿石机


在试验中还发现了有趣的现象,移动或轻碰矿石机时从耳机里会听到比较强的微音器效应。开始以为是调谐线圈震动改变了频率,但是电流表短路之后微音器效应就消失了,原来是电表的线圈震动产生的现象!

在网络论坛上看到有矿石机爱好者介绍经验。他把 MOSFET 的电极(Drain)和源电极(Source)在这个矿石机的电路里反接,同样可以检波而且效果更好。于是我把这两个电极的接线对调 - 电极接到源电极线圈 L3,源电极接到输出端。原来接收的一个电台直流输出电流是 12.5 uA ,改接后增加到16.5 uA。输出确实增加而且感觉强信号的失真反而减少了。

也有人试验阻抗匹配的问题,甚至用 5 个集成电路并联检波,认为可以匹配得更好。个由此可见这种检波器还有不少可以试验改进的地方。

今天试验 4 个 MOSFET 并联检波(用一个 ALD110800APCJL QUAD MOSFET 集成电路),发现性能大幅度提高了。接收最强的电台时,两个 MOSFET 并联检波的最大输出电流是 18 uA,换成 4 个 MOSFET 并联检波则达到 40 uA,而且最令人满意的收获是听不出失真了,收听所有电台的音量都大为提高!(请继续看第 46 帖
   
现在谈谈 如何保护对静电敏感的 MOSFET 集成电路

MOSFET集成电路很容易被高压静电损坏,使用时必须注意保护。

我订购 ALD110900A 时是装在塑胶管内寄来的。个别 IC 的保存最好是插在导电的黑色泡沫塑料板上。


反绕双值线圈两波段 MOSFET 检波的矿石机


在网络论坛里我已经见到几位试验者报告说不小心损坏了这种集成电路,应该引以为鉴。但是也不必太紧张,我碰触这些集成电路时,首先把手接触地线消除身体的静电,用 IC 插座接在收音机上再插 IC,也没有什么问题。不过要提醒一下:这些 IC 可能不适合太强的信号,如果离电台很近或用长天线要小心。

根据那些论坛参加讨论的读者建议,接触这些集成电路时应采取几点预防措施:

(1)不要穿容易产生静电的羊毛衣和人造纤维衣服。
(2)接触集成电路前,手腕戴上消除静电的护套并将护套导线接地。
(3)焊接电路板时一定要用三线(有接地线)的电烙铁。
(4)不直接焊接集成电路。电路板用集成电路插座,收音机安装完成再插入 IC。
(5)当连接或拆开电路时,可能的情况下首先把闸电极电极电极Drain  Source)短路。
(6)在电路上连接或拆除 IC 时,按照这个次序:最后连接闸电极(Gate)/最先拆开闸电极(Gate)
(7)储存集成电路时,插在导电的泡沫塑料板或放入专用于放置电子元件的黑塑胶袋内(我想把它们插在铝箔上包起来,使全部 IC 脚短路也可以的)。
(责任编辑:admin)
织梦二维码生成器
顶一下
(2)
100%
踩一下
(0)
0%
------分隔线----------------------------
发表评论
请自觉遵守互联网相关的政策法规,严禁发布色情、暴力、反动的言论。
评价:
表情:
用户名: 验证码:点击我更换图片
栏目列表
推荐内容