最好的电子音响科技diy制作网站

haoDIY_音响电子电脑科技DIY小制作发明

常州人的矿石机

时间:2017-04-28 20:01来源:www.crystalradio.cn 作者:黄进武 点击:
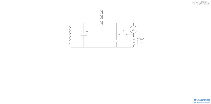
展示一下常州人制作的没有天地线的矿石机 [ 本帖最后由 黄进武 于 2008-2-27 19:05 编辑 ] 常州人,制作 B.jpg (31.08 KB, 下载次数: 138) C.jpg (18.95 KB, 下载次数: 115) F.jpg (28.05 KB, 下载次数: 123) L.jpg (25.19 KB, 下载次数: 107) 80cm花篮线圈,2
展示一下常州人制作的没有天地线的矿石机

[ 本帖最后由 黄进武 于 2008-2-27 19:05 编辑 ]
常州人, 制作
 

B.jpg (31.08 KB, 下载次数: 138)

 

常州人的矿石机
 

C.jpg (18.95 KB, 下载次数: 115)

 

常州人的矿石机
 

F.jpg (28.05 KB, 下载次数: 123)

 

常州人的矿石机
 

L.jpg (25.19 KB, 下载次数: 107)

 

常州人的矿石机
φ80cm花篮线圈,20米75Ω电视线8T,360度旋转
密封双连540P
2200P
2AP9×3
50μA电流表
电源变压器
100Ω耳机
废加热器旋转底盘
家离电台10~20公里,可收中国之声、日语台、常州新闻台、常州交通台、常州经济台。放在床2米外可听到耳机声音,听不清楚讲话。
 

1595KHZ中国之声
1040KHZ日语台
846KHZ常州新闻台
747KHZ常州交通台
。。。。常州经济台,没用半导体收声机核对频率
常州人的矿石机 (责任编辑:admin)
织梦二维码生成器
顶一下
(0)
0%
踩一下
(0)
0%
------分隔线----------------------------
发表评论
请自觉遵守互联网相关的政策法规,严禁发布色情、暴力、反动的言论。
评价:
表情:
用户名: 验证码:点击我更换图片
栏目列表
推荐内容