|
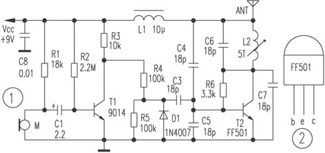
由于使用了专用的发射管,调制度深,不产生幅度调制,失真小,发送距离远,工作稳定。电路简单易制,只要焊接无误即可工作,电路原理见图1所示。 图1电路中,由专用发射管T2和其外围件组成一频率在88~108MHz范围内的高频振荡器,驻极体话筒拾取的音频信号先经T1进行放大,放大后的低频信号再对高频载波进行调制。如断开驻极话筒M,在输入端接放音机输出就能很好地传送音乐信号。 需要说明的是射频发射专用管T2,其型号是FF501,采用标准的T0-92封装(像9000系列三极管一样),外形及引脚排列如图2所示,其ICM为45mA,fT大于1.3GHz,VCEO为13V。专用管的优点就是一致性好,射频输出功率较大,电路容易调整,FF501完全可工作在更高的频段,读者可尝试将发射管用于其它电路的高频发射实验。电路中的L2用∮1.0mm的漆包线在∮5.1mm的钻头上绕5匝脱胎拉长至0.8cm,C3~C8可用高频瓷介电容,天线最好用1.2米的拉杆,并垂直放立。天线一定要架好后再上电。电路的工作电流约25±5mA。如发射频率不在88~108MHz范围内,可适当调整谐振线圈L2的长度。 电路装调好后,用FM段调频收音机作接收,有效传送半径可达500m。 (责任编辑:admin) |

















