眼看比赛就要在19号完成了 我也急眼了这几天连续加班总算是完工了 在此感谢帮助我的:znke jiangqishan8 于海旺 bg1trk 谢谢! 示波管电视机是我多年的一个梦想(虽然我今年才18) 但是由于电路的复杂和各种数据模糊示波管屏压过高都放弃了 最后我偶然看见一个帖子,就是介绍示波管电视机的,电路是国外的因为那个帖子的楼主也在国外,电路简单容易制作,总电压是170v,500v的屏压是三倍压整流得到的(此电路我已改用晶体管1n4007来代替)没有接收电路,信号是接入视频信号,可以接VCD或者CD都可以也可以从电视机的视频输出口来获得。缺点是示波管很小屏幕只有5公分,看着累眼,没有伴音电路,伴音电路是我后来加的,用的是6J9单管功放电路,电路简单电压也是用的170v所以说正好 但是不足的是有一定的交流声,但是无所谓,基本就是这样。制作:我找到一块以前没有用完的铝板,到商贸城折了边 ![]() 又找到一块木板,把它锯开放在两边用哥俩好粘住 ![]() ![]() 找到了所有的电子管三只6J4代图中的6AU6,一只12AT7,一只6J9,还有示波管5SJ38J ![]() 到了这里我才发现居然没有买示波管的管座!!! 没办法只能自己做,找到一块树脂板打孔![]() ![]() 把固定示波管管座的铝板做好 ![]() 把开关,指示灯,电位器都装上就是这个效果 ![]() 把灯丝线焊好,还有地线正极线 晚上,灯丝通电就这样了,很是漂亮 ![]() 2015年2月9日....不幸发生在我身上.....同学几个出去玩手机丢失,从6J9往后的照片全部丢失,机器由于我的同学感兴趣也拿走了,只留下一张完工后的照片.... 昨天晚上机器完工,找出VCD上面是一张知青的光盘,还是我于半年前刻录的(老人很喜欢看),由于指示灯在晚上很亮我就把灯泡卸下来了,我发现我刻录的电视剧和网络上的一部视频一样,很是高兴,终于有缘和大师擦肩了~ OK 示波管电视机完成了,感谢大家,感谢矿谈给我的这次机会,祝大家在新的一年里,心想事成,万事如意!!! 本机电路,我把整流部分改成了晶体管,一时省电,二是省空间 ![]() 电源部分
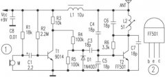
6J9单管功放就是用的这个图屏压170v音质不错就是有点交流声 ![]() (责任编辑:admin) |





























