|
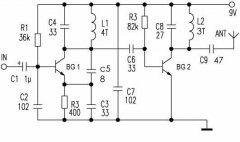
之前的《最简调频无线话筒》中的电路简单,适合于初学者制作,如果觉得发射距离不够霸气,性能指标不够强大,那今天我们就来做个“强大”一点的,这款发射机采用两级放大,所以灵敏度很高,周围环境的声音可以清晰地被收集,所以可以当作窃听器使用,电路设计有音频输入,音频信号通过插孔输入时,话筒自动断开,便可当作音乐电台使用:(点击放大)
类似这种形式的电路很多,相信很多无线电爱好者都不会陌生,各种资料写的理论值一般是1KM以上,但经过我的试验,该电路在使用1.2米的拉杆天线时,在农村的发射距离的确将近1KM,在城市的空阔地带可达到500米以上,在钢筋结构的大楼里最多也只能达到200米,如果大家舍得花钱购买专用的橡皮天线,估计效果要好得多。 电路里所用的高频发射管为D-40,不过很多朋友说D-40这种管子不好找,也有人说这种管子现在没得卖了,但我的确是在武汉电子市场里买到了,当然,管子的真假是我无法鉴定的。如果买不到D-40,你可以选用2SC3101等高频管(效果肯定会差一些)或者牺牲发射功率用9018。电路里的电感L1,L2用0.71mm高强度漆包线在直径3mm的钻头上分别绕4匝和10匝。其中线圈L1绕好后,有条件的可以在电视机中周内取一枚直径3mm的磁芯放在L1中,以加强电路稳定性。 电路连接完毕,开始调试,一般只要元件数值准确,发射机的发射频率就会落在普通调频收音机的接收范围内,调试时注意收音机与发射机的距离不能太近,因为发射机功率比较大,周围磁场太强,会覆盖收音机的所有频率。调节C4或C5的值可以改变发射频率,调节电感线圈间距也可以进行频率微调,注意发射频率不要与当地调频电台相冲突。 这就是我做的实物了:(点击放大)
|

















